8 800 707-00-91
Связаться с нами
info@podshipniki-gc.ru

Подшипники мировых брендов.

Купить Фланцевые подшипниковые узлы RCJY5/8, INA с доставкой по России

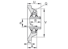
Фланцевые подшипниковые узлы RCJY5/8, INA
Фланцевые подшипниковые узлы с четырьмя отверстиями, корпусом из серого чугуна, резьбовыми штифтами на внутреннем кольце по ABMA 15 - 1991, ABMA 14 - 1991, R-уплотнения, ISO 3228, размеры в дюймах
d 5/8 inch   
d 15,900 mm   
L 2,992 inch   
L 76 mm   
U 1,295 inch   
U 32,9 mm   

A 0,945 inch   
A1 0,394 inch   
A2 0,669 inch   
B 1,079 inch   
J 2,126 inch   
N 0,453 inch   
Q 1/4-28 UNF   
V 2,323 inch   

m 0,97 lbs  Вес
Cr 2200 lbf  динамическая грузоподъемность, радиальная
Cr 9600 N  динамическая грузоподъемность, радиальная
C0r 1070 lbf  статическая грузоподъемность, радиальная
C0r 4750 N  статическая грузоподъемность, радиальная
GG.CJ03  обозначение корпуса
GY1010-KRR-B-AS2/V  обозначение подшипника

Суффикс Описание
2C Закрепляемый подшипник с центробежными отражателями с двух сторон
FA101 Исполнение для высоких и низких температур: от -40°C до +180°C
FA106 Подшипники со специальными требованиями по шуму
FA107 Подшипники со смазочными отверстиями со стороны закрепительного элемента
FA125 С покрытием Corrotect®
FA164 Исполнение для высоких температур (до +250°C)
N Корпус из серого чугуна с пазовой выточкой для крепления защитной крышки
OSE Подшипник без закрепительного элемента
JIS Размеры корпуса в соответствии со стандартом JIS B 1559
TV Пластмассовый корпус
VA Коррозионностойкое исполнение из высоколегированной подшипниковой стали

Получите выгодное коммерческое предложение от нас

Сферы применения подшипников

Подшипники в добыче и переработке сырья

Подшипники в добыче и переработке сырья

Крупногабаритные подшипники используются во всем мире практически во всех отраслях . Экстремальные условия эксплуатации в этих отраслях требуют от подшипников максимальной износостойкости и долговечности. В технологическом оборудовании, стоимость простоев и ремонта которого намного превышает стоимость опоры, эксплуатирующей стороне очень важно иметь возможность положиться на функциональность и работоспособность подшипников.

Оставить заявку
Подшипники в машиностроении

Подшипники в машиностроении

В машиностроении одним из основных компонентов производимой продукции является подшипник. Его роль особенно важна в механизмах и устройствах, в которых имеет место движение элементов конструкции относительно друг друга.

Главная функция подшипников - это снижение трения и последующего износа. Именно в этой отрасли производства к подшипникам предъявляются высокие требования по прочности и качеству.

Оставить заявку
Подшипники в сельском хозяйстве

Подшипники в сельском хозяйстве

В сельском хозяйстве подшипники подвергаются серьезным нагрузкам, особенно в период сбора урожая, или подготовки земли к высадке.

Кроме обычных стандартных подшипников, в механизмах тракторов и другой сельскохозяйственной техники присутствуют подшипники, спроектированные и выпущенные именно для использования в этой сфере со своей специально продуманной конструкцией.

Оставить заявку
Подшипники в станкостроении

Подшипники в станкостроении

В станкостроении подшипники играют ключевую роль и определяют надежность всего механизма. Они стоят практически в каждом узле станка, который работает с движением - это и вращение, и перемещение. При выборе подшипников в этой отрасли играют следующие критерии:

. размер детали;

. скорость вращения;

. величина и направление нагрузок.

Оставить заявку
Подшипники для строительства

Подшипники для строительства

Подшипники в строительстве являются наиболее уязвимыми элементами конструкций. На них держатся тонны материалов, они подвергаются значительным нагрузкам, справится с которыми могут только качественные подшипники. Они обеспечивают плавность движения, снижение трения и поддержание надежности многих строительных систем и машин. их правильный выбор и обслуживание содействует увеличению срока службы и эффективности оборудования в строительстве.

Оставить заявку
Подшипники для энергетики

Подшипники для энергетики

Современные ветроэнергетические установки предъявляют особые требования к качеству опоры вала. Лопасти, являющиеся неотъемлемой частью таких установок, в процессе работы создают большие опрокидывающие усилия, способные разрушить генератор. Поэтому подшипниковый узел должен обеспечивать максимально надежную фиксацию в пространстве и иметь высокую прочность.

Оставить заявку

Не нашли нужный товар или аналог?

Наш менеджер Вам поможет!

Санкт-Петербург

Люботинский проспект, д. 2-4, лит. Б

8 800 707-00-91

Москва

ул. Нижние поля, д. 31

8 800 707-00-91

Обратный звонок

Для получения выгодного коммерческого предложения заполните форму ниже