8 800 707-00-91
Связаться с нами
info@podshipniki-gc.ru

Подшипники мировых брендов.

Купить Комбинированные подшипники с короткими цилиндрическими и игольчатыми роликами NKXR35-Z, INA с доставкой по России

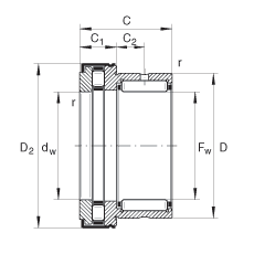
Комбинированные подшипники с короткими цилиндрическими и игольчатыми роликами NKXR35-Z, INA
упорная часть одностороннего действия, по DIN 5429, с защитной крышкой, под консистентную смазку
Fw 35 mm   
D 47 mm   
C 30 mm  Допуск: -0,25

C1 12 mm  Допуск: -0,2
C2 9 mm   
D2 max 53,2 mm   
da 47,7 mm   
dw 35 mm  Допуск: E8
ra max 0,6 mm   
rmin 0,6 mm   

NAXR35Z  Условное обозначение по DIN 5429
m 165 g  Вес
Cr 27500 N  динамическая грузоподъемность, радиальная
C0r 41500 N  статическая грузоподъемность, радиальная
Ca 39000 N  динамическая грузоподъемность, осевая
C0a 101000 N  статическая грузоподъемность, осевая
Cur 7300 N  нагрузка предела усталости радиальная
Cua 9500 N  нагрузка предела усталости осевая
nG 6500 1/min  Предельная частота вращения
nB 2500 1/min  Базовая тепловая частота вращения
IR30X35X20  применяемое внутреннее кольцо

Суффикс Описание
TV Подшипники с сепаратором радиальной части из армированного стекловолокном полиамида 66
Z Подшипники с защитной крышкой, упорная часть смазана литиевой комплексной смазкой по GA08

Получите выгодное коммерческое предложение от нас

Сферы применения подшипников

Подшипники в добыче и переработке сырья

Подшипники в добыче и переработке сырья

Крупногабаритные подшипники используются во всем мире практически во всех отраслях . Экстремальные условия эксплуатации в этих отраслях требуют от подшипников максимальной износостойкости и долговечности. В технологическом оборудовании, стоимость простоев и ремонта которого намного превышает стоимость опоры, эксплуатирующей стороне очень важно иметь возможность положиться на функциональность и работоспособность подшипников.

Оставить заявку
Подшипники в машиностроении

Подшипники в машиностроении

В машиностроении одним из основных компонентов производимой продукции является подшипник. Его роль особенно важна в механизмах и устройствах, в которых имеет место движение элементов конструкции относительно друг друга.

Главная функция подшипников - это снижение трения и последующего износа. Именно в этой отрасли производства к подшипникам предъявляются высокие требования по прочности и качеству.

Оставить заявку
Подшипники в сельском хозяйстве

Подшипники в сельском хозяйстве

В сельском хозяйстве подшипники подвергаются серьезным нагрузкам, особенно в период сбора урожая, или подготовки земли к высадке.

Кроме обычных стандартных подшипников, в механизмах тракторов и другой сельскохозяйственной техники присутствуют подшипники, спроектированные и выпущенные именно для использования в этой сфере со своей специально продуманной конструкцией.

Оставить заявку
Подшипники в станкостроении

Подшипники в станкостроении

В станкостроении подшипники играют ключевую роль и определяют надежность всего механизма. Они стоят практически в каждом узле станка, который работает с движением - это и вращение, и перемещение. При выборе подшипников в этой отрасли играют следующие критерии:

. размер детали;

. скорость вращения;

. величина и направление нагрузок.

Оставить заявку
Подшипники для строительства

Подшипники для строительства

Подшипники в строительстве являются наиболее уязвимыми элементами конструкций. На них держатся тонны материалов, они подвергаются значительным нагрузкам, справится с которыми могут только качественные подшипники. Они обеспечивают плавность движения, снижение трения и поддержание надежности многих строительных систем и машин. их правильный выбор и обслуживание содействует увеличению срока службы и эффективности оборудования в строительстве.

Оставить заявку
Подшипники для энергетики

Подшипники для энергетики

Современные ветроэнергетические установки предъявляют особые требования к качеству опоры вала. Лопасти, являющиеся неотъемлемой частью таких установок, в процессе работы создают большие опрокидывающие усилия, способные разрушить генератор. Поэтому подшипниковый узел должен обеспечивать максимально надежную фиксацию в пространстве и иметь высокую прочность.

Оставить заявку

Не нашли нужный товар или аналог?

Наш менеджер Вам поможет!

Санкт-Петербург

Люботинский проспект, д. 2-4, лит. Б

8 800 707-00-91

Москва

ул. Нижние поля, д. 31

8 800 707-00-91

Обратный звонок

Для получения выгодного коммерческого предложения заполните форму ниже