8 800 707-00-91
Связаться с нами
info@podshipniki-gc.ru

Подшипники мировых брендов.

Купить Комбинированные упорные шарикоподшипники с игольчатыми роликами NX17, INA с доставкой по России

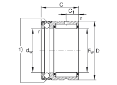
Комбинированные упорные шарикоподшипники с игольчатыми роликами NX17, INA
упорная часть одностороннего действия, под смазку маслом
Fw 17 mm   
D 26 mm   
C 28 mm  Допуск: -0,25

1) Отверстия для смазочного масла
2) Присоединительные размерыпружинное стопорное кольцо на наружном кольце
C1 8 mm   
C2 12,2 mm   
D1 28,5 mm   
da 21 mm   
dw 17 mm  Допуск: E8
ra max 0,3 mm   
rmin 0,3 mm   

m 53 g  Вес
Cr 13500 N  динамическая грузоподъемность, радиальная
C0r 15000 N  статическая грузоподъемность, радиальная
Ca 5800 N  динамическая грузоподъемность, осевая
C0a 11500 N  статическая грузоподъемность, осевая
Cur 2750 N  нагрузка предела усталости радиальная
Cua 510 N  нагрузка предела усталости осевая
nG 7500 1/min  Предельная частота вращения
IR14X17X17  применяемое внутреннее кольцо
WR26, SW26  подходящие пружинные стопорные кольца WR и SW

Суффикс Описание
TV Подшипники с сепаратором радиальной части из армированного стекловолокном полиамида 66
Z Подшипники с защитной крышкой, упорная часть смазана литиевой комплексной смазкой по GA08

Получите выгодное коммерческое предложение от нас

Сферы применения подшипников

Подшипники в добыче и переработке сырья

Подшипники в добыче и переработке сырья

Крупногабаритные подшипники используются во всем мире практически во всех отраслях . Экстремальные условия эксплуатации в этих отраслях требуют от подшипников максимальной износостойкости и долговечности. В технологическом оборудовании, стоимость простоев и ремонта которого намного превышает стоимость опоры, эксплуатирующей стороне очень важно иметь возможность положиться на функциональность и работоспособность подшипников.

Оставить заявку
Подшипники в машиностроении

Подшипники в машиностроении

В машиностроении одним из основных компонентов производимой продукции является подшипник. Его роль особенно важна в механизмах и устройствах, в которых имеет место движение элементов конструкции относительно друг друга.

Главная функция подшипников - это снижение трения и последующего износа. Именно в этой отрасли производства к подшипникам предъявляются высокие требования по прочности и качеству.

Оставить заявку
Подшипники в сельском хозяйстве

Подшипники в сельском хозяйстве

В сельском хозяйстве подшипники подвергаются серьезным нагрузкам, особенно в период сбора урожая, или подготовки земли к высадке.

Кроме обычных стандартных подшипников, в механизмах тракторов и другой сельскохозяйственной техники присутствуют подшипники, спроектированные и выпущенные именно для использования в этой сфере со своей специально продуманной конструкцией.

Оставить заявку
Подшипники в станкостроении

Подшипники в станкостроении

В станкостроении подшипники играют ключевую роль и определяют надежность всего механизма. Они стоят практически в каждом узле станка, который работает с движением - это и вращение, и перемещение. При выборе подшипников в этой отрасли играют следующие критерии:

. размер детали;

. скорость вращения;

. величина и направление нагрузок.

Оставить заявку
Подшипники для строительства

Подшипники для строительства

Подшипники в строительстве являются наиболее уязвимыми элементами конструкций. На них держатся тонны материалов, они подвергаются значительным нагрузкам, справится с которыми могут только качественные подшипники. Они обеспечивают плавность движения, снижение трения и поддержание надежности многих строительных систем и машин. их правильный выбор и обслуживание содействует увеличению срока службы и эффективности оборудования в строительстве.

Оставить заявку
Подшипники для энергетики

Подшипники для энергетики

Современные ветроэнергетические установки предъявляют особые требования к качеству опоры вала. Лопасти, являющиеся неотъемлемой частью таких установок, в процессе работы создают большие опрокидывающие усилия, способные разрушить генератор. Поэтому подшипниковый узел должен обеспечивать максимально надежную фиксацию в пространстве и иметь высокую прочность.

Оставить заявку

Не нашли нужный товар или аналог?

Наш менеджер Вам поможет!

Санкт-Петербург

Люботинский проспект, д. 2-4, лит. Б

8 800 707-00-91

Москва

ул. Нижние поля, д. 31

8 800 707-00-91

Обратный звонок

Для получения выгодного коммерческого предложения заполните форму ниже