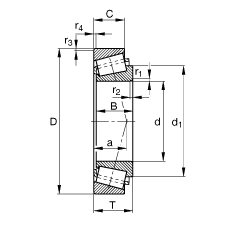
| d | 140 mm | |
| D | 300 mm | |
| T | 107,75 mm | |
| a | 74 mm | ≈ |
| B | 102 mm | |
| C | 85 mm | |
| Ca min | 10 mm | |
| Cb min | 22,5 mm | |
| Da max | 282 mm | |
| Da min | 247 mm | |
| Db min | 280 mm | |
| d1 | 215 mm | ≈ |
| da max | 170 mm | |
| db min | 157 mm | |
| r1, 2 min | 5 mm | |
| r3, 4 min | 4 mm | |
| ra max | 5 mm | |
| rb max | 4 mm | |
| m | 37,8 kg | ≈ Вес |
| Cr | 1170000 N | динамическая грузоподъемность, радиальная |
| C0r | 1710000 N | статическая грузоподъемность, радиальная |
| e | 0,35 | |
| Y | 1,74 | |
| Y0 | 0,96 | |
| Cur | 198000 N | Нагрузка предела усталости, радиальная |
| nG | 2270 1/min | Предельная частота вращения |
| nB | 1460 1/min | Базовая тепловая частота вращения |
| Суффикс | Описание |
| A | Изменения во внутренней конструкции |
| N11CA-A.. | Пара конических роликоподшипников, сдвоенных по схеме "X", с дистанционным кольцом между наружними кольцами. Осевой зазор в мкм |
| B | Увеличенный угол контакта |
| X | Наружние размеры приведены в соответствие международным нормам |
| P5 | Более высокая точность |
| DF | Два специально подобранных без зазора конических роликоподшипника для установки по схеме "X" |
Ознакомьтесь также с
Игольчатые роликоподшипники с одним наружным штампованным кольцом, закрытым с одной стороны BCE47, INA, Игольчатые роликоподшипники с одним наружным штампованным кольцом, закрытым с одной стороны BCE55, INA, Игольчатые роликоподшипники с одним наружным штампованным кольцом, закрытым с одной стороны BCE57, INA, Игольчатые роликоподшипники с одним наружным штампованным кольцом, закрытым с одной стороны BCE59, INA, Игольчатые роликоподшипники с одним наружным штампованным кольцом, закрытым с одной стороны BCE65, INA, Игольчатые роликоподшипники с одним наружным штампованным кольцом, закрытым с одной стороны BCE66, INA, Игольчатые роликоподшипники с одним наружным штампованным кольцом, закрытым с одной стороны BCE67, INA, Игольчатые роликоподшипники с одним наружным штампованным кольцом, закрытым с одной стороны BCE68, INA
Крупногабаритные подшипники используются во всем мире практически во всех отраслях . Экстремальные условия эксплуатации в этих отраслях требуют от подшипников максимальной износостойкости и долговечности. В технологическом оборудовании, стоимость простоев и ремонта которого намного превышает стоимость опоры, эксплуатирующей стороне очень важно иметь возможность положиться на функциональность и работоспособность подшипников.
Оставить заявкуВ машиностроении одним из основных компонентов производимой продукции является подшипник. Его роль особенно важна в механизмах и устройствах, в которых имеет место движение элементов конструкции относительно друг друга.
Главная функция подшипников - это снижение трения и последующего износа. Именно в этой отрасли производства к подшипникам предъявляются высокие требования по прочности и качеству.
Оставить заявкуВ сельском хозяйстве подшипники подвергаются серьезным нагрузкам, особенно в период сбора урожая, или подготовки земли к высадке.
Кроме обычных стандартных подшипников, в механизмах тракторов и другой сельскохозяйственной техники присутствуют подшипники, спроектированные и выпущенные именно для использования в этой сфере со своей специально продуманной конструкцией.
Оставить заявкуВ станкостроении подшипники играют ключевую роль и определяют надежность всего механизма. Они стоят практически в каждом узле станка, который работает с движением - это и вращение, и перемещение. При выборе подшипников в этой отрасли играют следующие критерии:
. размер детали;
. скорость вращения;
. величина и направление нагрузок.
Оставить заявкуПодшипники в строительстве являются наиболее уязвимыми элементами конструкций. На них держатся тонны материалов, они подвергаются значительным нагрузкам, справится с которыми могут только качественные подшипники. Они обеспечивают плавность движения, снижение трения и поддержание надежности многих строительных систем и машин. их правильный выбор и обслуживание содействует увеличению срока службы и эффективности оборудования в строительстве.
Оставить заявкуСовременные ветроэнергетические установки предъявляют особые требования к качеству опоры вала. Лопасти, являющиеся неотъемлемой частью таких установок, в процессе работы создают большие опрокидывающие усилия, способные разрушить генератор. Поэтому подшипниковый узел должен обеспечивать максимально надежную фиксацию в пространстве и иметь высокую прочность.
Оставить заявкуНаш менеджер Вам поможет!