8 800 707-00-91
Связаться с нами
info@podshipniki-gc.ru

Подшипники мировых брендов.

Купить Конические роликоподшипники 33020, FAG с доставкой по России

Конические роликоподшипники 33020, FAG
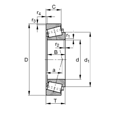
Основные размеры по DIN ISO 355 / DIN 720, разъемные, устанавливаются в регулируемых опорах или попарно
d 100 mm   
D 150 mm   
T 39 mm   

a 29 mm 
B 39 mm   
C 32,5 mm   
Ca min 7 mm   
Cb min 6,5 mm   
Da max 141 mm   
Da min 135 mm   
Db min 143 mm   
d1 124,7 mm 
da max 108 mm   
db min 109 mm   
r1, 2 min 2 mm   
r3, 4 min 1,5 mm   
ra max 2 mm   
rb max 1,5 mm   

m 2,42 kg  ≈ Вес
Cr 225000 N  динамическая грузоподъемность, радиальная
C0r 395000 N  статическая грузоподъемность, радиальная
e 0,29   
Y 2,09   
Y0 1,15   
Cur 47500 N  Нагрузка предела усталости, радиальная
nG 4450 1/min  Предельная частота вращения
nB 2900 1/min  Базовая тепловая частота вращения
T2CE100  Сравнительное обозначение по DIN ISO 355

Суффикс Описание
A Изменения во внутренней конструкции
N11CA-A.. Пара конических роликоподшипников, сдвоенных по схеме "X", с дистанционным кольцом между наружними кольцами. Осевой зазор в мкм
B Увеличенный угол контакта
X Наружние размеры приведены в соответствие международным нормам
P5 Более высокая точность
DF Два специально подобранных без зазора конических роликоподшипника для установки по схеме "X"

Получите выгодное коммерческое предложение от нас

Сферы применения подшипников

Подшипники в добыче и переработке сырья

Подшипники в добыче и переработке сырья

Крупногабаритные подшипники используются во всем мире практически во всех отраслях . Экстремальные условия эксплуатации в этих отраслях требуют от подшипников максимальной износостойкости и долговечности. В технологическом оборудовании, стоимость простоев и ремонта которого намного превышает стоимость опоры, эксплуатирующей стороне очень важно иметь возможность положиться на функциональность и работоспособность подшипников.

Оставить заявку
Подшипники в машиностроении

Подшипники в машиностроении

В машиностроении одним из основных компонентов производимой продукции является подшипник. Его роль особенно важна в механизмах и устройствах, в которых имеет место движение элементов конструкции относительно друг друга.

Главная функция подшипников - это снижение трения и последующего износа. Именно в этой отрасли производства к подшипникам предъявляются высокие требования по прочности и качеству.

Оставить заявку
Подшипники в сельском хозяйстве

Подшипники в сельском хозяйстве

В сельском хозяйстве подшипники подвергаются серьезным нагрузкам, особенно в период сбора урожая, или подготовки земли к высадке.

Кроме обычных стандартных подшипников, в механизмах тракторов и другой сельскохозяйственной техники присутствуют подшипники, спроектированные и выпущенные именно для использования в этой сфере со своей специально продуманной конструкцией.

Оставить заявку
Подшипники в станкостроении

Подшипники в станкостроении

В станкостроении подшипники играют ключевую роль и определяют надежность всего механизма. Они стоят практически в каждом узле станка, который работает с движением - это и вращение, и перемещение. При выборе подшипников в этой отрасли играют следующие критерии:

. размер детали;

. скорость вращения;

. величина и направление нагрузок.

Оставить заявку
Подшипники для строительства

Подшипники для строительства

Подшипники в строительстве являются наиболее уязвимыми элементами конструкций. На них держатся тонны материалов, они подвергаются значительным нагрузкам, справится с которыми могут только качественные подшипники. Они обеспечивают плавность движения, снижение трения и поддержание надежности многих строительных систем и машин. их правильный выбор и обслуживание содействует увеличению срока службы и эффективности оборудования в строительстве.

Оставить заявку
Подшипники для энергетики

Подшипники для энергетики

Современные ветроэнергетические установки предъявляют особые требования к качеству опоры вала. Лопасти, являющиеся неотъемлемой частью таких установок, в процессе работы создают большие опрокидывающие усилия, способные разрушить генератор. Поэтому подшипниковый узел должен обеспечивать максимально надежную фиксацию в пространстве и иметь высокую прочность.

Оставить заявку

Не нашли нужный товар или аналог?

Наш менеджер Вам поможет!

Санкт-Петербург

Люботинский проспект, д. 2-4, лит. Б

8 800 707-00-91

Москва

ул. Нижние поля, д. 31

8 800 707-00-91

Обратный звонок

Для получения выгодного коммерческого предложения заполните форму ниже