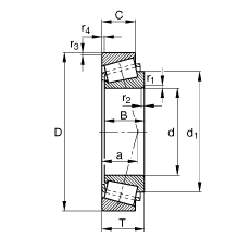
| d | 30 mm | |
| D | 62 mm | |
| T | 25 mm | |
| a | 16 mm | ≈ |
| B | 25 mm | |
| C | 19,5 mm | |
| Ca min | 5 mm | |
| Cb min | 5,5 mm | |
| Da max | 56 mm | |
| Da min | 53 mm | |
| Db min | 59 mm | |
| d1 | 46,1 mm | ≈ |
| da max | 36 mm | |
| db min | 36 mm | |
| r1, 2 min | 1 mm | |
| r3, 4 min | 1 mm | |
| ra max | 1 mm | |
| rb max | 1 mm | |
| m | 0,394 kg | ≈ Вес |
| Cr | 65000 N | динамическая грузоподъемность, радиальная |
| C0r | 77000 N | статическая грузоподъемность, радиальная |
| e | 0,34 | |
| Y | 1,76 | |
| Y0 | 0,97 | |
| Cur | 9400 N | Нагрузка предела усталости, радиальная |
| nG | 11800 1/min | Предельная частота вращения |
| nB | 7100 1/min | Базовая тепловая частота вращения |
| T2DE030 | Сравнительное обозначение по DIN ISO 355 |
| Суффикс | Описание |
| A | Изменения во внутренней конструкции |
| N11CA-A.. | Пара конических роликоподшипников, сдвоенных по схеме "X", с дистанционным кольцом между наружними кольцами. Осевой зазор в мкм |
| B | Увеличенный угол контакта |
| X | Наружние размеры приведены в соответствие международным нормам |
| P5 | Более высокая точность |
| DF | Два специально подобранных без зазора конических роликоподшипника для установки по схеме "X" |
Ознакомьтесь также с
Самоустанавливающийся роликоподшипник для машин с колебательным механизмом 22332-E1-K-JPA-T41A + AH2332G, FAG, Самоустанавливающийся роликоподшипник для машин с колебательным механизмом 22334-E1-K-JPA-T41A + AH2334G, FAG, Самоустанавливающийся роликоподшипник для машин с колебательным механизмом 22336-E1-K-JPA-T41A + AH2336G, FAG, Самоустанавливающийся роликоподшипник для машин с колебательным механизмом 22338-E1-K-JPA-T41A + AH2338G, FAG, Самоустанавливающийся роликоподшипник для машин с колебательным механизмом 22340-E1-K-JPA-T41A + AH2340, FAG, Самоустанавливающийся роликоподшипник для машин с колебательным механизмом 22344-E1-K-JPA-T41A + AH2344, FAG, Самоустанавливающийся роликоподшипник для машин с колебательным механизмом 23320-AS-MA-T41A, FAG, Самоустанавливающийся роликоподшипник для машин с колебательным механизмом 23322-AS-MA-T41A, FAG
Крупногабаритные подшипники используются во всем мире практически во всех отраслях . Экстремальные условия эксплуатации в этих отраслях требуют от подшипников максимальной износостойкости и долговечности. В технологическом оборудовании, стоимость простоев и ремонта которого намного превышает стоимость опоры, эксплуатирующей стороне очень важно иметь возможность положиться на функциональность и работоспособность подшипников.
Оставить заявкуВ машиностроении одним из основных компонентов производимой продукции является подшипник. Его роль особенно важна в механизмах и устройствах, в которых имеет место движение элементов конструкции относительно друг друга.
Главная функция подшипников - это снижение трения и последующего износа. Именно в этой отрасли производства к подшипникам предъявляются высокие требования по прочности и качеству.
Оставить заявкуВ сельском хозяйстве подшипники подвергаются серьезным нагрузкам, особенно в период сбора урожая, или подготовки земли к высадке.
Кроме обычных стандартных подшипников, в механизмах тракторов и другой сельскохозяйственной техники присутствуют подшипники, спроектированные и выпущенные именно для использования в этой сфере со своей специально продуманной конструкцией.
Оставить заявкуВ станкостроении подшипники играют ключевую роль и определяют надежность всего механизма. Они стоят практически в каждом узле станка, который работает с движением - это и вращение, и перемещение. При выборе подшипников в этой отрасли играют следующие критерии:
. размер детали;
. скорость вращения;
. величина и направление нагрузок.
Оставить заявкуПодшипники в строительстве являются наиболее уязвимыми элементами конструкций. На них держатся тонны материалов, они подвергаются значительным нагрузкам, справится с которыми могут только качественные подшипники. Они обеспечивают плавность движения, снижение трения и поддержание надежности многих строительных систем и машин. их правильный выбор и обслуживание содействует увеличению срока службы и эффективности оборудования в строительстве.
Оставить заявкуСовременные ветроэнергетические установки предъявляют особые требования к качеству опоры вала. Лопасти, являющиеся неотъемлемой частью таких установок, в процессе работы создают большие опрокидывающие усилия, способные разрушить генератор. Поэтому подшипниковый узел должен обеспечивать максимально надежную фиксацию в пространстве и иметь высокую прочность.
Оставить заявкуНаш менеджер Вам поможет!