8 800 707-00-91
Связаться с нами
info@podshipniki-gc.ru

Подшипники мировых брендов.

Купить Подшипники ходовых винтов DKLFA2590-2RS, INA с доставкой по России

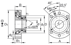
Подшипники ходовых винтов DKLFA2590-2RS, INA
двустороннего действия, с фланцем, контактные уплотнения с двух сторон, с усеченным фланцем
d 25 mm  Допуск: -0,010
D 57 mm  Допуск: -0,013
B 38 mm  Допуск: -0,25

45 °  шаг
60 °  Угол контакта
A 70 mm   
B1 22 mm   
D1 90 mm   
d1 40,5 mm   
d2 8,8 mm   
da max 48 mm   
da min 32 mm   
J 75 mm   
r1 min 0,6 mm   
rmin 0,3 mm   

Внимание!Для подшипников требуется постоянная нагрузка в направлении действия основной нагрузки H!
m 0,9 kg  Вес
Ca 27500 N  динамическая грузоподъемность, осевая, ←
C0a 55000 N  статическая грузоподъемность, осевая, ←
Ca 52000 N  динамическая грузоподъемность, осевая в направлении действия основной нагрузки H, →
C0a 144000 N  статическая грузоподъемность, осевая в направлении действия основной нагрузки H, →
nG Fett 2000 1/min  Предельная частота вращения при консистентной смазке
MRL 0,6 Nm  Момент трения подшипника
caL 850 N/µm  осевая жесткость ←
caL 1200 N/µm  осевая жесткость →
ckL 370 Nm/mrad  Жесткость к опрокидыванию
Mm 1,12 kg x cm^2  Момент инерции масс вращающегося внутреннего кольца
5 µm  Торцовое биениеДанные о торцовом биении для подшипников опор ходовых винтов относятся к вращающемуся внутреннему кольцу.
количество крепежных винтов по DIN 912-10.9Винты не входят в комплект поставки.
M8  размер крепежных винтов по DIN 912-10.9Моменты затяжки крепежных винтов согласно данным производителя.Винты не входят в комплект поставки.
1) AM25, ZMA25/45  Условное обозначение рекомендуемых шлицевых гаек INA
2) ZM30  Условное обозначение рекомендуемых шлицевых гаек INA
Шлицевые гайки в комплект поставки не входят.

Суффикс Описание
PE Подшипник с расширенными допусками
T, TVP Полиамидный сепаратор, центрированный по телам качения
2AP Сдвоенные упорно-радиальные шарикоподшипники (ZKLN, ZKLF)
2RS Контактные уплтнения с двух сторон
2Z Защитные шайбы с двух сторон

Получите выгодное коммерческое предложение от нас

Сферы применения подшипников

Подшипники в добыче и переработке сырья

Подшипники в добыче и переработке сырья

Крупногабаритные подшипники используются во всем мире практически во всех отраслях . Экстремальные условия эксплуатации в этих отраслях требуют от подшипников максимальной износостойкости и долговечности. В технологическом оборудовании, стоимость простоев и ремонта которого намного превышает стоимость опоры, эксплуатирующей стороне очень важно иметь возможность положиться на функциональность и работоспособность подшипников.

Оставить заявку
Подшипники в машиностроении

Подшипники в машиностроении

В машиностроении одним из основных компонентов производимой продукции является подшипник. Его роль особенно важна в механизмах и устройствах, в которых имеет место движение элементов конструкции относительно друг друга.

Главная функция подшипников - это снижение трения и последующего износа. Именно в этой отрасли производства к подшипникам предъявляются высокие требования по прочности и качеству.

Оставить заявку
Подшипники в сельском хозяйстве

Подшипники в сельском хозяйстве

В сельском хозяйстве подшипники подвергаются серьезным нагрузкам, особенно в период сбора урожая, или подготовки земли к высадке.

Кроме обычных стандартных подшипников, в механизмах тракторов и другой сельскохозяйственной техники присутствуют подшипники, спроектированные и выпущенные именно для использования в этой сфере со своей специально продуманной конструкцией.

Оставить заявку
Подшипники в станкостроении

Подшипники в станкостроении

В станкостроении подшипники играют ключевую роль и определяют надежность всего механизма. Они стоят практически в каждом узле станка, который работает с движением - это и вращение, и перемещение. При выборе подшипников в этой отрасли играют следующие критерии:

. размер детали;

. скорость вращения;

. величина и направление нагрузок.

Оставить заявку
Подшипники для строительства

Подшипники для строительства

Подшипники в строительстве являются наиболее уязвимыми элементами конструкций. На них держатся тонны материалов, они подвергаются значительным нагрузкам, справится с которыми могут только качественные подшипники. Они обеспечивают плавность движения, снижение трения и поддержание надежности многих строительных систем и машин. их правильный выбор и обслуживание содействует увеличению срока службы и эффективности оборудования в строительстве.

Оставить заявку
Подшипники для энергетики

Подшипники для энергетики

Современные ветроэнергетические установки предъявляют особые требования к качеству опоры вала. Лопасти, являющиеся неотъемлемой частью таких установок, в процессе работы создают большие опрокидывающие усилия, способные разрушить генератор. Поэтому подшипниковый узел должен обеспечивать максимально надежную фиксацию в пространстве и иметь высокую прочность.

Оставить заявку

Не нашли нужный товар или аналог?

Наш менеджер Вам поможет!

Санкт-Петербург

Люботинский проспект, д. 2-4, лит. Б

8 800 707-00-91

Москва

ул. Нижние поля, д. 31

8 800 707-00-91

Обратный звонок

Для получения выгодного коммерческого предложения заполните форму ниже