8 800 707-00-91
Связаться с нами
info@podshipniki-gc.ru

Подшипники мировых брендов.

Купить Подшипники ходовых винтов ZKLR1547-2RS, INA с доставкой по России

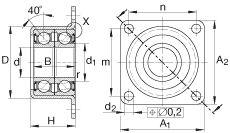
Подшипники ходовых винтов ZKLR1547-2RS, INA
двустороннего действия, с фланцем, контактные уплотнения с двух сторон
d 15 mm  Допуск: -0,007
D 38,45 mm  Допуск: +0,03 / -0,01
H 24 mm  Допуск: -0,5

A1 47 mm   
A2 51 mm   
B 22 mm  Допуск: +0,25
Daa min 35 mm   
Dai 29 mm   
d1 18 mm   
d2 6,6 mm   
da 17,5 mm   
m 39 mm   
n 35 mm   
rmin 0,3 mm   
X Область опоры наружного кольца в осевом направлении

m 140 g  Вес
Cr 16700 N  динамическая грузоподъемность, радиальная
C0r 10700 N  статическая грузоподъемность, радиальная
Ca 16400 N  динамическая грузоподъемность, осевая
C0a 22400 N  статическая грузоподъемность, осевая
nG Fett 3400 1/min  Предельная частота вращения при консистентной смазке
MRL 0,2 Nm  Момент трения подшипника
caL 200 N/µm  осевая жесткостьСтатистические средние значения измерений на подшипниковом узле.
Mm 0,0178 kg x cm^2  Момент инерции масс вращающихся внутренних колец
7 µm  Торцовое биениеДанные о торцовом биении для подшипников опор ходовых винтов относятся к вращающемуся внутреннему кольцу.
ZM15  Условное обозначение рекомендуемых шлицевых гаек INAШлицевая гайка служит только для осевой фиксации подшипникового узла. Она не влияет на предварительный натяг в подшипнике.
Шлицевые гайки заказываются отдельно.
MA 10 Nm  Момент затяжкиДействительно только в сочетании с прецизионными шлицевыми гайками INA
количество крепежных винтов по DIN 912Винты не входят в комплект поставки.
M6  размер крепежных винтов по DIN 912Моменты затяжки крепежных винтов согласно данным производителя.Винты не входят в комплект поставки.

Суффикс Описание
PE Подшипник с расширенными допусками
T, TVP Полиамидный сепаратор, центрированный по телам качения
2AP Сдвоенные упорно-радиальные шарикоподшипники (ZKLN, ZKLF)
2RS Контактные уплтнения с двух сторон
2Z Защитные шайбы с двух сторон

Получите выгодное коммерческое предложение от нас

Сферы применения подшипников

Подшипники в добыче и переработке сырья

Подшипники в добыче и переработке сырья

Крупногабаритные подшипники используются во всем мире практически во всех отраслях . Экстремальные условия эксплуатации в этих отраслях требуют от подшипников максимальной износостойкости и долговечности. В технологическом оборудовании, стоимость простоев и ремонта которого намного превышает стоимость опоры, эксплуатирующей стороне очень важно иметь возможность положиться на функциональность и работоспособность подшипников.

Оставить заявку
Подшипники в машиностроении

Подшипники в машиностроении

В машиностроении одним из основных компонентов производимой продукции является подшипник. Его роль особенно важна в механизмах и устройствах, в которых имеет место движение элементов конструкции относительно друг друга.

Главная функция подшипников - это снижение трения и последующего износа. Именно в этой отрасли производства к подшипникам предъявляются высокие требования по прочности и качеству.

Оставить заявку
Подшипники в сельском хозяйстве

Подшипники в сельском хозяйстве

В сельском хозяйстве подшипники подвергаются серьезным нагрузкам, особенно в период сбора урожая, или подготовки земли к высадке.

Кроме обычных стандартных подшипников, в механизмах тракторов и другой сельскохозяйственной техники присутствуют подшипники, спроектированные и выпущенные именно для использования в этой сфере со своей специально продуманной конструкцией.

Оставить заявку
Подшипники в станкостроении

Подшипники в станкостроении

В станкостроении подшипники играют ключевую роль и определяют надежность всего механизма. Они стоят практически в каждом узле станка, который работает с движением - это и вращение, и перемещение. При выборе подшипников в этой отрасли играют следующие критерии:

. размер детали;

. скорость вращения;

. величина и направление нагрузок.

Оставить заявку
Подшипники для строительства

Подшипники для строительства

Подшипники в строительстве являются наиболее уязвимыми элементами конструкций. На них держатся тонны материалов, они подвергаются значительным нагрузкам, справится с которыми могут только качественные подшипники. Они обеспечивают плавность движения, снижение трения и поддержание надежности многих строительных систем и машин. их правильный выбор и обслуживание содействует увеличению срока службы и эффективности оборудования в строительстве.

Оставить заявку
Подшипники для энергетики

Подшипники для энергетики

Современные ветроэнергетические установки предъявляют особые требования к качеству опоры вала. Лопасти, являющиеся неотъемлемой частью таких установок, в процессе работы создают большие опрокидывающие усилия, способные разрушить генератор. Поэтому подшипниковый узел должен обеспечивать максимально надежную фиксацию в пространстве и иметь высокую прочность.

Оставить заявку

Не нашли нужный товар или аналог?

Наш менеджер Вам поможет!

Санкт-Петербург

Люботинский проспект, д. 2-4, лит. Б

8 800 707-00-91

Москва

ул. Нижние поля, д. 31

8 800 707-00-91

Обратный звонок

Для получения выгодного коммерческого предложения заполните форму ниже