8 800 707-00-91
Связаться с нами
info@podshipniki-gc.ru

Подшипники мировых брендов.

Купить Подшипники комбинированные роликовые ZARN2052-L-TV, INA с доставкой по России

Подшипники комбинированные роликовые ZARN2052-L-TV, INA
двустороннего действия, удлиненное тугое кольцо
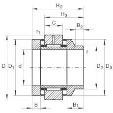
d 20 mm   
D 52 mm   
H2 60 mm   

B 10 mm   
B1 24 mm   
B2 11 mm   
C 16 mm   
D1 42 mm   
D2 30 mm   
D3 40 mm   
Da max 43 mm  Присоединительные размерыПри использовании радиальных уплотнений вала следует учитывать наружный диаметр уплотнения.
da min 28 mm  Присоединительные размерыПри использовании радиальных уплотнений вала следует учитывать наружный диаметр уплотнения.
H3 45 mm   
r1 min 0,6 mm   
rmin 0,3 mm   

m 0,46 kg  Вес
Ca 33500 N  динамическая грузоподъемность, осевая
C0a 76000 N  статическая грузоподъемность, осевая
Cr 14900 N  динамическая грузоподъемность, радиальная
C0r 22400 N  статическая грузоподъемность, радиальная
nG Öl 7000 1/min  Предельная частота вращения при смазывании маслом (действительна только при достаточном охлаждении масла)
nG Fett 2000 1/min  Предельная частота вращения при консистентной смазке
MRL 0,5 Nm  Момент трения подшипника
caL 1800 N/µm  осевая жесткость
ckL 230 Nm/mrad  Жесткость к опрокидыванию
Mm 0,683 kg x cm^2  Момент инерции масс вращающегося внутреннего кольца
1 µm  Торцовое биениеДанные о торцовом биении для подшипников опор ходовых винтов относятся к вращающемуся внутреннему кольцу.
ZMA20/38  Условное обозначение рекомендуемых шлицевых гаек INA
AM20  Условное обозначение рекомендуемых шлицевых гаек INA
MA 18 Nm  Момент затяжкиДействительно только в сочетании с прецизионными шлицевыми гайками INA
9376 N  усилие предварительного осевого натяга
DR 30X42X7  радиальное уплотнение вала DIN 3760Заказывать отдельно.
Шлицевые гайки и радиальное уплотнение вала в комплект поставки не входят.

Суффикс Описание
L С широким ступенчатым тугим кольцом
TV С сепараторами из армированного стекловолокном полиамида 66

Получите выгодное коммерческое предложение от нас

Сферы применения подшипников

Подшипники в добыче и переработке сырья

Подшипники в добыче и переработке сырья

Крупногабаритные подшипники используются во всем мире практически во всех отраслях . Экстремальные условия эксплуатации в этих отраслях требуют от подшипников максимальной износостойкости и долговечности. В технологическом оборудовании, стоимость простоев и ремонта которого намного превышает стоимость опоры, эксплуатирующей стороне очень важно иметь возможность положиться на функциональность и работоспособность подшипников.

Оставить заявку
Подшипники в машиностроении

Подшипники в машиностроении

В машиностроении одним из основных компонентов производимой продукции является подшипник. Его роль особенно важна в механизмах и устройствах, в которых имеет место движение элементов конструкции относительно друг друга.

Главная функция подшипников - это снижение трения и последующего износа. Именно в этой отрасли производства к подшипникам предъявляются высокие требования по прочности и качеству.

Оставить заявку
Подшипники в сельском хозяйстве

Подшипники в сельском хозяйстве

В сельском хозяйстве подшипники подвергаются серьезным нагрузкам, особенно в период сбора урожая, или подготовки земли к высадке.

Кроме обычных стандартных подшипников, в механизмах тракторов и другой сельскохозяйственной техники присутствуют подшипники, спроектированные и выпущенные именно для использования в этой сфере со своей специально продуманной конструкцией.

Оставить заявку
Подшипники в станкостроении

Подшипники в станкостроении

В станкостроении подшипники играют ключевую роль и определяют надежность всего механизма. Они стоят практически в каждом узле станка, который работает с движением - это и вращение, и перемещение. При выборе подшипников в этой отрасли играют следующие критерии:

. размер детали;

. скорость вращения;

. величина и направление нагрузок.

Оставить заявку
Подшипники для строительства

Подшипники для строительства

Подшипники в строительстве являются наиболее уязвимыми элементами конструкций. На них держатся тонны материалов, они подвергаются значительным нагрузкам, справится с которыми могут только качественные подшипники. Они обеспечивают плавность движения, снижение трения и поддержание надежности многих строительных систем и машин. их правильный выбор и обслуживание содействует увеличению срока службы и эффективности оборудования в строительстве.

Оставить заявку
Подшипники для энергетики

Подшипники для энергетики

Современные ветроэнергетические установки предъявляют особые требования к качеству опоры вала. Лопасти, являющиеся неотъемлемой частью таких установок, в процессе работы создают большие опрокидывающие усилия, способные разрушить генератор. Поэтому подшипниковый узел должен обеспечивать максимально надежную фиксацию в пространстве и иметь высокую прочность.

Оставить заявку

Не нашли нужный товар или аналог?

Наш менеджер Вам поможет!

Санкт-Петербург

Люботинский проспект, д. 2-4, лит. Б

8 800 707-00-91

Москва

ул. Нижние поля, д. 31

8 800 707-00-91

Обратный звонок

Для получения выгодного коммерческого предложения заполните форму ниже