8 800 707-00-91
Связаться с нами
info@podshipniki-gc.ru

Подшипники мировых брендов.

Купить Подшипники поворотных столов YRTS260, INA с доставкой по России

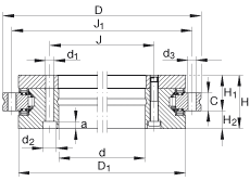
Подшипники поворотных столов YRTS260, INA
двустороннего действия, с фланцем, для повышенных частот вращения
d 260 mm  Допуск: -0,018
D 385 mm  Допуск: -0,02
H 55 mm   

34  количество крепежных отверстий на внутреннем кольцеВнимание!Для крепежных отверстий в сопрягаемой конструкции.Следует учитывать шаг крепежных отверстий в подшипнике.
33  количество крепежных отверстий на наружном кольцеВнимание!Для крепежных отверстий в сопрягаемой конструкции.Следует учитывать шаг крепежных отверстий в подшипнике.
количество стопорных винтов
количество мест с отжимной резьбой
1) Стопорные винты
a 8,2 mm  крепежные отверстия внутреннего кольца
C 18 mm   
D1 345 mm   
d1 9,3 mm  крепежные отверстия внутреннего кольца
d2 15 mm  крепежные отверстия внутреннего кольца
d3 9,3 mm  крепежные отверстия наружного кольца
G M12  Отжимная резьба
H1 36,5 mm   
H2 18,5 mm   
J 280 mm  крепежные отверстия внутреннего кольца
J1 365 mm  крепежные отверстия наружного кольца
t 36 X 10°  шаг t,включая стопорные винты либо отжимную резьбуколичествоXt

m 18,3 kg  Вес
MA 34 Nm  Момент затяжки винтовМомент затяжки винтов по DIN 912, класс прочности 10.9.
Ca 173000 N  динамическая грузоподъемность, осевая
C0a 1050000 N  статическая грузоподъемность, осевая
Cr 110000 N  динамическая грузоподъемность, радиальная
C0r 305000 N  статическая грузоподъемность, радиальная
nG 910 1/min  предельная частота вращенияПри большей продолжительности включения или работе в длительном режиме следует обратиться к нам с запросом.
caL 5400 N/µm  осевая жесткость подшипниковой опорыЗначения жесткости с учетом комплекта тел качения, деформации колец подшипника и винтовых соединений фланцев.
crL 1600 N/µm  радиальная жесткость подшипниковой опорыЗначения жесткости с учетом комплекта тел качения, деформации колец подшипника и винтовых соединений фланцев.
ckL 67000 Nm/mrad  Жесткость подшипниковой опоры по опрокидывающему моментуЗначения жесткости с учетом комплекта тел качения, деформации колец подшипника и винтовых соединений фланцев.
caL 16800 N/µm  осевая жесткость комплекта тел качения
crL 5800 N/µm  радиальная жесткость комплекта тел качения
ckL 201000 Nm/mrad  жесткость комплекта тел качения по опрокидывающему моменту
Mm 2074 kg cm^2  Момент инерции масс вращающегося внутреннего кольца IR
Mm 1422 kg cm^2  Момент инерции масс вращающегося наружного кольца AU

Получите выгодное коммерческое предложение от нас

Сферы применения подшипников

Подшипники в добыче и переработке сырья

Подшипники в добыче и переработке сырья

Крупногабаритные подшипники используются во всем мире практически во всех отраслях . Экстремальные условия эксплуатации в этих отраслях требуют от подшипников максимальной износостойкости и долговечности. В технологическом оборудовании, стоимость простоев и ремонта которого намного превышает стоимость опоры, эксплуатирующей стороне очень важно иметь возможность положиться на функциональность и работоспособность подшипников.

Оставить заявку
Подшипники в машиностроении

Подшипники в машиностроении

В машиностроении одним из основных компонентов производимой продукции является подшипник. Его роль особенно важна в механизмах и устройствах, в которых имеет место движение элементов конструкции относительно друг друга.

Главная функция подшипников - это снижение трения и последующего износа. Именно в этой отрасли производства к подшипникам предъявляются высокие требования по прочности и качеству.

Оставить заявку
Подшипники в сельском хозяйстве

Подшипники в сельском хозяйстве

В сельском хозяйстве подшипники подвергаются серьезным нагрузкам, особенно в период сбора урожая, или подготовки земли к высадке.

Кроме обычных стандартных подшипников, в механизмах тракторов и другой сельскохозяйственной техники присутствуют подшипники, спроектированные и выпущенные именно для использования в этой сфере со своей специально продуманной конструкцией.

Оставить заявку
Подшипники в станкостроении

Подшипники в станкостроении

В станкостроении подшипники играют ключевую роль и определяют надежность всего механизма. Они стоят практически в каждом узле станка, который работает с движением - это и вращение, и перемещение. При выборе подшипников в этой отрасли играют следующие критерии:

. размер детали;

. скорость вращения;

. величина и направление нагрузок.

Оставить заявку
Подшипники для строительства

Подшипники для строительства

Подшипники в строительстве являются наиболее уязвимыми элементами конструкций. На них держатся тонны материалов, они подвергаются значительным нагрузкам, справится с которыми могут только качественные подшипники. Они обеспечивают плавность движения, снижение трения и поддержание надежности многих строительных систем и машин. их правильный выбор и обслуживание содействует увеличению срока службы и эффективности оборудования в строительстве.

Оставить заявку
Подшипники для энергетики

Подшипники для энергетики

Современные ветроэнергетические установки предъявляют особые требования к качеству опоры вала. Лопасти, являющиеся неотъемлемой частью таких установок, в процессе работы создают большие опрокидывающие усилия, способные разрушить генератор. Поэтому подшипниковый узел должен обеспечивать максимально надежную фиксацию в пространстве и иметь высокую прочность.

Оставить заявку

Не нашли нужный товар или аналог?

Наш менеджер Вам поможет!

Санкт-Петербург

Люботинский проспект, д. 2-4, лит. Б

8 800 707-00-91

Москва

ул. Нижние поля, д. 31

8 800 707-00-91

Обратный звонок

Для получения выгодного коммерческого предложения заполните форму ниже