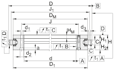
| d | 460 mm | |
| D | 600 mm | |
| H | 70 mm | |
| 46 | количество крепежных отверстий на внутреннем кольцеВнимание!Для крепежных отверстий в сопрягаемой конструкции.Следует учитывать шаг крепежных отверстий в подшипнике. | |
| 45 | количество крепежных отверстий на наружном кольцеВнимание!Для крепежных отверстий в сопрягаемой конструкции.Следует учитывать шаг крепежных отверстий в подшипнике. | |
| 2 | количество стопорных винтов | |
| 3 | количество мест с отжимной резьбой | |
| 1) | Стопорные винты | |
| a | 8,2 mm | крепежные отверстия внутреннего кольца |
| C | 22 mm | |
| D1 | 560 mm | |
| DM | 557,7 mm | |
| d1 | 9,3 mm | крепежные отверстия внутреннего кольца |
| d2 | 15 mm | крепежные отверстия внутреннего кольца |
| d3 | 9,3 mm | крепежные отверстия наружного кольца |
| G | M12 | Отжимная резьба |
| H1 | 46 mm | |
| H2 | 24 mm | |
| HM | 19 mm | |
| J | 482 mm | крепежные отверстия внутреннего кольца |
| J1 | 580 mm | крепежные отверстия наружного кольца |
| t | 48 X 7,5° | шаг t,включая стопорные винты либо отжимную резьбуколичествоXt |
| m | 45 kg | Вес |
| MA | 34 Nm | Момент затяжки винтовМомент затяжки винтов по DIN 912, класс прочности 10.9. |
| Ca | 221000 N | динамическая грузоподъемность, осевая |
| C0a | 1690000 N | статическая грузоподъемность, осевая |
| Cr | 168000 N | динамическая грузоподъемность, радиальная |
| C0r | 570000 N | статическая грузоподъемность, радиальная |
| caL | 8900 N/µm | осевая жесткость подшипниковой опорыЗначения жесткости с учетом комплекта тел качения, деформации колец подшипника и винтовых соединений фланцев. |
| crL | 1800 N/µm | радиальная жесткость подшипниковой опорыЗначения жесткости с учетом комплекта тел качения, деформации колец подшипника и винтовых соединений фланцев. |
| ckL | 280000 Nm/mrad | Жесткость подшипниковой опоры по опрокидывающему моментуЗначения жесткости с учетом комплекта тел качения, деформации колец подшипника и винтовых соединений фланцев. |
| nG | 560 1/min | предельная частота вращения блока обработки сигналов и подшипников |
| nRef | 15 1/min | предельная частота вращения перемещения к началу отсчета |
Ознакомьтесь также с
Самоустанавливающийся роликоподшипник для машин с колебательным механизмом 22338-E1-K-T41A + H2338, FAG, Самоустанавливающийся роликоподшипник для машин с колебательным механизмом 22340-E1-K-T41A + H2340, FAG, Самоустанавливающийся роликоподшипник для машин с колебательным механизмом 22344-E1-K-T41A + H2344X, FAG, Самоустанавливающийся роликоподшипник для машин с колебательным механизмом 22311-E1-K-T41A + AHX2311, FAG, Самоустанавливающийся роликоподшипник для машин с колебательным механизмом 22312-E1-K-T41A + AHX2312, FAG, Самоустанавливающийся роликоподшипник для машин с колебательным механизмом 22313-E1-K-T41A + AH2313G, FAG, Самоустанавливающийся роликоподшипник для машин с колебательным механизмом 22314-E1-K-T41A + AHX2314G, FAG, Самоустанавливающийся роликоподшипник для машин с колебательным механизмом 22315-E1-K-T41A + AHX2315G, FAG
Крупногабаритные подшипники используются во всем мире практически во всех отраслях . Экстремальные условия эксплуатации в этих отраслях требуют от подшипников максимальной износостойкости и долговечности. В технологическом оборудовании, стоимость простоев и ремонта которого намного превышает стоимость опоры, эксплуатирующей стороне очень важно иметь возможность положиться на функциональность и работоспособность подшипников.
Оставить заявкуВ машиностроении одним из основных компонентов производимой продукции является подшипник. Его роль особенно важна в механизмах и устройствах, в которых имеет место движение элементов конструкции относительно друг друга.
Главная функция подшипников - это снижение трения и последующего износа. Именно в этой отрасли производства к подшипникам предъявляются высокие требования по прочности и качеству.
Оставить заявкуВ сельском хозяйстве подшипники подвергаются серьезным нагрузкам, особенно в период сбора урожая, или подготовки земли к высадке.
Кроме обычных стандартных подшипников, в механизмах тракторов и другой сельскохозяйственной техники присутствуют подшипники, спроектированные и выпущенные именно для использования в этой сфере со своей специально продуманной конструкцией.
Оставить заявкуВ станкостроении подшипники играют ключевую роль и определяют надежность всего механизма. Они стоят практически в каждом узле станка, который работает с движением - это и вращение, и перемещение. При выборе подшипников в этой отрасли играют следующие критерии:
. размер детали;
. скорость вращения;
. величина и направление нагрузок.
Оставить заявкуПодшипники в строительстве являются наиболее уязвимыми элементами конструкций. На них держатся тонны материалов, они подвергаются значительным нагрузкам, справится с которыми могут только качественные подшипники. Они обеспечивают плавность движения, снижение трения и поддержание надежности многих строительных систем и машин. их правильный выбор и обслуживание содействует увеличению срока службы и эффективности оборудования в строительстве.
Оставить заявкуСовременные ветроэнергетические установки предъявляют особые требования к качеству опоры вала. Лопасти, являющиеся неотъемлемой частью таких установок, в процессе работы создают большие опрокидывающие усилия, способные разрушить генератор. Поэтому подшипниковый узел должен обеспечивать максимально надежную фиксацию в пространстве и иметь высокую прочность.
Оставить заявкуНаш менеджер Вам поможет!