8 800 707-00-91
Связаться с нами
info@podshipniki-gc.ru

Подшипники мировых брендов.

Купить Подшипники поворотных столов ZKLDF260, INA с доставкой по России

Подшипники поворотных столов ZKLDF260, INA
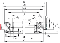
двустороннего действия, с фланцем, защитные шайбы с двух сторон
d 260 mm  Подшипники с размерами d > 460 мм поставляются по запросу
D 385 mm   
H 55 mm   

34  количество крепежных отверстий на внутреннем кольцеВнимание!Для крепежных отверстий в сопрягаемой конструкции.Следует учитывать шаг крепежных отверстий в подшипнике.
количество стопорных винтов
33  количество крепежных отверстий на наружном кольцеВнимание!Для крепежных отверстий в сопрягаемой конструкции.Следует учитывать шаг крепежных отверстий в подшипнике.
количество мест с отжимной резьбой
1) Стопорные винты
3) опорная поверхность / центрирующий диаметр
a 8,2 mm  крепежные отверстия внутреннего кольца
D1 345 mm   
D2 313 mm   
D3 348 mm   
d1 9,3 mm  крепежные отверстия внутреннего кольца
d2 15 mm  крепежные отверстия внутреннего кольца
d3 9,3 mm  крепежные отверстия наружного кольца
G M12  Отжимная резьба
H1 36,5 mm   
J 280 mm  крепежные отверстия внутреннего кольца
J1 365 mm  крепежные отверстия наружного кольца
t 36 X 10°  шаг t,включая стопорные винты либо отжимную резьбуколичествоXt

m 19 kg  Вес
MA 34 Nm  Момент затяжки винтовМомент затяжки винтов по DIN 912, класс прочности 10.9.
Ca 162000 N  динамическая грузоподъемность, осевая
C0a 920000 N  статическая грузоподъемность, осевая
nG 2400 1/min  предельная частота вращенияУдвоенные значения предельной частоты вращения действительны для подшипников текущего поколения с внутренним дополнительным условным обозначением -B.
caL 3200 N/µm  осевая жесткость подшипниковой опорыЗначения жесткости с учетом комплекта тел качения, деформации колец подшипника и винтовых соединений фланцев.
crL 700 N/µm  радиальная жесткость подшипниковой опорыЗначения жесткости с учетом комплекта тел качения, деформации колец подшипника и винтовых соединений фланцев.
ckL 40000 Nm/mrad  Жесткость подшипниковой опоры по опрокидывающему моментуЗначения жесткости с учетом комплекта тел качения, деформации колец подшипника и винтовых соединений фланцев.
caL 4700 N/µm  осевая жесткость комплекта тел качения
crL 700 N/µm  радиальная жесткость комплекта тел качения
ckL 54000 Nm/mrad  жесткость комплекта тел качения по опрокидывающему моменту
MRL 7,5 Nm  Момент трения подшипника

Суффикс Описание
H1... Присоединительный размер H1 с более узким допуском 
H2... Присоединительный размер H2с более узким допуском 
- Допуски торцовых и радиальных биений сужены на 50%

Получите выгодное коммерческое предложение от нас

Сферы применения подшипников

Подшипники в добыче и переработке сырья

Подшипники в добыче и переработке сырья

Крупногабаритные подшипники используются во всем мире практически во всех отраслях . Экстремальные условия эксплуатации в этих отраслях требуют от подшипников максимальной износостойкости и долговечности. В технологическом оборудовании, стоимость простоев и ремонта которого намного превышает стоимость опоры, эксплуатирующей стороне очень важно иметь возможность положиться на функциональность и работоспособность подшипников.

Оставить заявку
Подшипники в машиностроении

Подшипники в машиностроении

В машиностроении одним из основных компонентов производимой продукции является подшипник. Его роль особенно важна в механизмах и устройствах, в которых имеет место движение элементов конструкции относительно друг друга.

Главная функция подшипников - это снижение трения и последующего износа. Именно в этой отрасли производства к подшипникам предъявляются высокие требования по прочности и качеству.

Оставить заявку
Подшипники в сельском хозяйстве

Подшипники в сельском хозяйстве

В сельском хозяйстве подшипники подвергаются серьезным нагрузкам, особенно в период сбора урожая, или подготовки земли к высадке.

Кроме обычных стандартных подшипников, в механизмах тракторов и другой сельскохозяйственной техники присутствуют подшипники, спроектированные и выпущенные именно для использования в этой сфере со своей специально продуманной конструкцией.

Оставить заявку
Подшипники в станкостроении

Подшипники в станкостроении

В станкостроении подшипники играют ключевую роль и определяют надежность всего механизма. Они стоят практически в каждом узле станка, который работает с движением - это и вращение, и перемещение. При выборе подшипников в этой отрасли играют следующие критерии:

. размер детали;

. скорость вращения;

. величина и направление нагрузок.

Оставить заявку
Подшипники для строительства

Подшипники для строительства

Подшипники в строительстве являются наиболее уязвимыми элементами конструкций. На них держатся тонны материалов, они подвергаются значительным нагрузкам, справится с которыми могут только качественные подшипники. Они обеспечивают плавность движения, снижение трения и поддержание надежности многих строительных систем и машин. их правильный выбор и обслуживание содействует увеличению срока службы и эффективности оборудования в строительстве.

Оставить заявку
Подшипники для энергетики

Подшипники для энергетики

Современные ветроэнергетические установки предъявляют особые требования к качеству опоры вала. Лопасти, являющиеся неотъемлемой частью таких установок, в процессе работы создают большие опрокидывающие усилия, способные разрушить генератор. Поэтому подшипниковый узел должен обеспечивать максимально надежную фиксацию в пространстве и иметь высокую прочность.

Оставить заявку

Не нашли нужный товар или аналог?

Наш менеджер Вам поможет!

Санкт-Петербург

Люботинский проспект, д. 2-4, лит. Б

8 800 707-00-91

Москва

ул. Нижние поля, д. 31

8 800 707-00-91

Обратный звонок

Для получения выгодного коммерческого предложения заполните форму ниже