8 800 707-00-91
Связаться с нами
info@podshipniki-gc.ru

Подшипники мировых брендов.

Купить Подшипники с перекрестными роликами SX011814, INA с доставкой по России

Подшипники с перекрестными роликами SX011814, INA
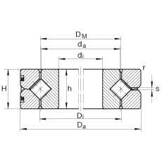
Размерная серия 18 по DIN 616
di 70 mm  Допуск: K6+0,004 / -0,015
Da 90 mm  Допуск: h6 -0,022
H 10 mm  монтажная высота подшипниковДопуск: +/-0,10

Di 80,5 mm   
DM 80 mm   
da 79,5 mm   
h 10 mm  высота отдельного кольцаДопуск: E8 -0,01
rmin 0,6 mm   
S 1,2 mm  Смазочное отверстие: 3 отверстия равномерно распределены по окружности

m 0,3 kg  Вес
0,010 mm  точность радиальная
0,010 mm  точность осевая
sr min 0,003 mm  мин. радиальный зазор в подшипнике
sr max 0,015 mm  макс. радиальный зазор в подшипнике
sk min 0,006 mm  мин. осевой зазор по опрокидывающему моменту
sk max 0,03 mm  макс. осевой зазор по опрокидывающему моменту
RLOmax 0,003 mm  с уменьшенным зазором: радиальный зазор
RLOmax 0,006 mm  с уменьшенным зазором: предварительный натяг
VSPmin 0,003 mm  мин. предварительный натяг в подшипнике
VSPmax 0,015 mm  макс. предварительный натяг в подшипнике
Ca 15400 N  динамическая грузоподъемность, осевая
C0a 51000 N  статическая грузоподъемность, осевая
Cr 11000 N  динамическая грузоподъемность, радиальная(при исключительно радиальной нагрузке)
C0r 20400 N  статическая грузоподъемность, радиальная(при исключительно радиальной нагрузке)
nG Öl 1910 1/min  предельная частота вращения при смазывании маслом и нормальном зазоре
nG Fett 955 1/min  предельная частота вращения при консистентной смазке и нормальном зазоре
nG Öl 955 1/min  предельная частота вращения при смазывании маслом и предварительном натяге
nG Fett 475 1/min  предельная частота вращения при консистентной смазке и предварительном натяге
61814  размеры совпадают с размерной серией 18 по ISO

Суффикс Описание
RR Коррозионностойкое исполнение, с покрытием Corrotect®
RLO С малым зазором
VSP С предварительным натягом

Получите выгодное коммерческое предложение от нас

Сферы применения подшипников

Подшипники в добыче и переработке сырья

Подшипники в добыче и переработке сырья

Крупногабаритные подшипники используются во всем мире практически во всех отраслях . Экстремальные условия эксплуатации в этих отраслях требуют от подшипников максимальной износостойкости и долговечности. В технологическом оборудовании, стоимость простоев и ремонта которого намного превышает стоимость опоры, эксплуатирующей стороне очень важно иметь возможность положиться на функциональность и работоспособность подшипников.

Оставить заявку
Подшипники в машиностроении

Подшипники в машиностроении

В машиностроении одним из основных компонентов производимой продукции является подшипник. Его роль особенно важна в механизмах и устройствах, в которых имеет место движение элементов конструкции относительно друг друга.

Главная функция подшипников - это снижение трения и последующего износа. Именно в этой отрасли производства к подшипникам предъявляются высокие требования по прочности и качеству.

Оставить заявку
Подшипники в сельском хозяйстве

Подшипники в сельском хозяйстве

В сельском хозяйстве подшипники подвергаются серьезным нагрузкам, особенно в период сбора урожая, или подготовки земли к высадке.

Кроме обычных стандартных подшипников, в механизмах тракторов и другой сельскохозяйственной техники присутствуют подшипники, спроектированные и выпущенные именно для использования в этой сфере со своей специально продуманной конструкцией.

Оставить заявку
Подшипники в станкостроении

Подшипники в станкостроении

В станкостроении подшипники играют ключевую роль и определяют надежность всего механизма. Они стоят практически в каждом узле станка, который работает с движением - это и вращение, и перемещение. При выборе подшипников в этой отрасли играют следующие критерии:

. размер детали;

. скорость вращения;

. величина и направление нагрузок.

Оставить заявку
Подшипники для строительства

Подшипники для строительства

Подшипники в строительстве являются наиболее уязвимыми элементами конструкций. На них держатся тонны материалов, они подвергаются значительным нагрузкам, справится с которыми могут только качественные подшипники. Они обеспечивают плавность движения, снижение трения и поддержание надежности многих строительных систем и машин. их правильный выбор и обслуживание содействует увеличению срока службы и эффективности оборудования в строительстве.

Оставить заявку
Подшипники для энергетики

Подшипники для энергетики

Современные ветроэнергетические установки предъявляют особые требования к качеству опоры вала. Лопасти, являющиеся неотъемлемой частью таких установок, в процессе работы создают большие опрокидывающие усилия, способные разрушить генератор. Поэтому подшипниковый узел должен обеспечивать максимально надежную фиксацию в пространстве и иметь высокую прочность.

Оставить заявку

Не нашли нужный товар или аналог?

Наш менеджер Вам поможет!

Санкт-Петербург

Люботинский проспект, д. 2-4, лит. Б

8 800 707-00-91

Москва

ул. Нижние поля, д. 31

8 800 707-00-91

Обратный звонок

Для получения выгодного коммерческого предложения заполните форму ниже