8 800 707-00-91
Связаться с нами
info@podshipniki-gc.ru

Подшипники мировых брендов.

Купить Радиально-упорные шарикоподшипники 3208-BD-TVH, FAG с доставкой по России

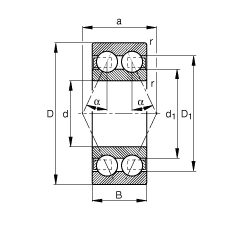
Радиально-упорные шарикоподшипники 3208-BD-TVH, FAG
Основные размеры по DIN 628-3, двухрядные, угол контакта α = 30°
d 40 mm   
D 80 mm   
B 30,2 mm   

a 47,841 mm   
D1 69,6 mm   
Da max 73 mm   
d1 54,9 mm   
da min 47 mm   
ra max 1 mm   
rmin 1,1 mm   
α 30 °  Угол контакта

m 0,591 kg  Вес
Cr 51000 N  динамическая грузоподъемность, радиальная
C0r 38000 N  статическая грузоподъемность, радиальная
Cur 2550 N  Нагрузка предела усталости, радиальная
nG 8900 1/min  Предельная частота вращения
nB 9100 1/min  Базовая тепловая частота вращения

Суффикс Описание
B Изменения во внутренней конструкции, угол контакта α=25°, без канавки для ввода шариков
C2 Осевой зазор C2
C3 Осевой зазор C3
DA Разъемное внутреннее кольцо
M Массивный латунный сепаратор с центрированием по телам качения
MA Массивный латунный сепаратор с центрированием по наружнему кольцу
TVH Массивный полиамидный сепаратор с защелкивающимися ячейками, центрированный по телам качения
2RSR, 2HRS Контактные уплотнения с двух сторон
2Z Защитные шайбы с двух сторон

Получите выгодное коммерческое предложение от нас

Сферы применения подшипников

Подшипники в добыче и переработке сырья

Подшипники в добыче и переработке сырья

Крупногабаритные подшипники используются во всем мире практически во всех отраслях . Экстремальные условия эксплуатации в этих отраслях требуют от подшипников максимальной износостойкости и долговечности. В технологическом оборудовании, стоимость простоев и ремонта которого намного превышает стоимость опоры, эксплуатирующей стороне очень важно иметь возможность положиться на функциональность и работоспособность подшипников.

Оставить заявку
Подшипники в машиностроении

Подшипники в машиностроении

В машиностроении одним из основных компонентов производимой продукции является подшипник. Его роль особенно важна в механизмах и устройствах, в которых имеет место движение элементов конструкции относительно друг друга.

Главная функция подшипников - это снижение трения и последующего износа. Именно в этой отрасли производства к подшипникам предъявляются высокие требования по прочности и качеству.

Оставить заявку
Подшипники в сельском хозяйстве

Подшипники в сельском хозяйстве

В сельском хозяйстве подшипники подвергаются серьезным нагрузкам, особенно в период сбора урожая, или подготовки земли к высадке.

Кроме обычных стандартных подшипников, в механизмах тракторов и другой сельскохозяйственной техники присутствуют подшипники, спроектированные и выпущенные именно для использования в этой сфере со своей специально продуманной конструкцией.

Оставить заявку
Подшипники в станкостроении

Подшипники в станкостроении

В станкостроении подшипники играют ключевую роль и определяют надежность всего механизма. Они стоят практически в каждом узле станка, который работает с движением - это и вращение, и перемещение. При выборе подшипников в этой отрасли играют следующие критерии:

. размер детали;

. скорость вращения;

. величина и направление нагрузок.

Оставить заявку
Подшипники для строительства

Подшипники для строительства

Подшипники в строительстве являются наиболее уязвимыми элементами конструкций. На них держатся тонны материалов, они подвергаются значительным нагрузкам, справится с которыми могут только качественные подшипники. Они обеспечивают плавность движения, снижение трения и поддержание надежности многих строительных систем и машин. их правильный выбор и обслуживание содействует увеличению срока службы и эффективности оборудования в строительстве.

Оставить заявку
Подшипники для энергетики

Подшипники для энергетики

Современные ветроэнергетические установки предъявляют особые требования к качеству опоры вала. Лопасти, являющиеся неотъемлемой частью таких установок, в процессе работы создают большие опрокидывающие усилия, способные разрушить генератор. Поэтому подшипниковый узел должен обеспечивать максимально надежную фиксацию в пространстве и иметь высокую прочность.

Оставить заявку

Не нашли нужный товар или аналог?

Наш менеджер Вам поможет!

Санкт-Петербург

Люботинский проспект, д. 2-4, лит. Б

8 800 707-00-91

Москва

ул. Нижние поля, д. 31

8 800 707-00-91

Обратный звонок

Для получения выгодного коммерческого предложения заполните форму ниже