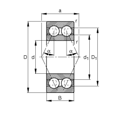
| d | 65 mm | |
| D | 120 mm | |
| B | 38,1 mm | |
| a | 70,646 mm | |
| D1 | 106,6 mm | |
| Da max | 111 mm | |
| d1 | 87,7 mm | |
| da min | 74 mm | |
| ra max | 1,5 mm | |
| rmin | 1,5 mm | |
| α | 30 ° | Угол контакта |
| m | 1,604 kg | Вес |
| Cr | 86000 N | динамическая грузоподъемность, радиальная |
| C0r | 77000 N | статическая грузоподъемность, радиальная |
| Cur | 5200 N | Нагрузка предела усталости, радиальная |
| nG | 5700 1/min | Предельная частота вращения |
| nB | 6100 1/min | Базовая тепловая частота вращения |
| Суффикс | Описание |
| B | Изменения во внутренней конструкции, угол контакта α=25°, без канавки для ввода шариков |
| C2 | Осевой зазор C2 |
| C3 | Осевой зазор C3 |
| DA | Разъемное внутреннее кольцо |
| M | Массивный латунный сепаратор с центрированием по телам качения |
| MA | Массивный латунный сепаратор с центрированием по наружнему кольцу |
| TVH | Массивный полиамидный сепаратор с защелкивающимися ячейками, центрированный по телам качения |
| 2RSR, 2HRS | Контактные уплотнения с двух сторон |
| 2Z | Защитные шайбы с двух сторон |
Ознакомьтесь также с
Игольчатые роликоподшипники с одним наружным штампованным кольцом, закрытым с одной стороны BK1516, INA, Игольчатые роликоподшипники с одним наружным штампованным кольцом, закрытым с одной стороны BK1612, INA, Игольчатые роликоподшипники с одним наружным штампованным кольцом, закрытым с одной стороны BK1616, INA, Игольчатые роликоподшипники с одним наружным штампованным кольцом, закрытым с одной стороны BK1622-ZW, INA, Игольчатые роликоподшипники с одним наружным штампованным кольцом, закрытым с одной стороны BK1812, INA, Игольчатые роликоподшипники с одним наружным штампованным кольцом, закрытым с одной стороны BK1816, INA, Игольчатые роликоподшипники с одним наружным штампованным кольцом, закрытым с одной стороны BK2016, INA, Игольчатые роликоподшипники с одним наружным штампованным кольцом, закрытым с одной стороны BK2020, INA
Крупногабаритные подшипники используются во всем мире практически во всех отраслях . Экстремальные условия эксплуатации в этих отраслях требуют от подшипников максимальной износостойкости и долговечности. В технологическом оборудовании, стоимость простоев и ремонта которого намного превышает стоимость опоры, эксплуатирующей стороне очень важно иметь возможность положиться на функциональность и работоспособность подшипников.
Оставить заявкуВ машиностроении одним из основных компонентов производимой продукции является подшипник. Его роль особенно важна в механизмах и устройствах, в которых имеет место движение элементов конструкции относительно друг друга.
Главная функция подшипников - это снижение трения и последующего износа. Именно в этой отрасли производства к подшипникам предъявляются высокие требования по прочности и качеству.
Оставить заявкуВ сельском хозяйстве подшипники подвергаются серьезным нагрузкам, особенно в период сбора урожая, или подготовки земли к высадке.
Кроме обычных стандартных подшипников, в механизмах тракторов и другой сельскохозяйственной техники присутствуют подшипники, спроектированные и выпущенные именно для использования в этой сфере со своей специально продуманной конструкцией.
Оставить заявкуВ станкостроении подшипники играют ключевую роль и определяют надежность всего механизма. Они стоят практически в каждом узле станка, который работает с движением - это и вращение, и перемещение. При выборе подшипников в этой отрасли играют следующие критерии:
. размер детали;
. скорость вращения;
. величина и направление нагрузок.
Оставить заявкуПодшипники в строительстве являются наиболее уязвимыми элементами конструкций. На них держатся тонны материалов, они подвергаются значительным нагрузкам, справится с которыми могут только качественные подшипники. Они обеспечивают плавность движения, снижение трения и поддержание надежности многих строительных систем и машин. их правильный выбор и обслуживание содействует увеличению срока службы и эффективности оборудования в строительстве.
Оставить заявкуСовременные ветроэнергетические установки предъявляют особые требования к качеству опоры вала. Лопасти, являющиеся неотъемлемой частью таких установок, в процессе работы создают большие опрокидывающие усилия, способные разрушить генератор. Поэтому подшипниковый узел должен обеспечивать максимально надежную фиксацию в пространстве и иметь высокую прочность.
Оставить заявкуНаш менеджер Вам поможет!