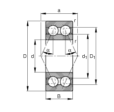
| d | 45 mm | |
| D | 58 mm | |
| B | 10 mm | |
| a | 24,2 mm | |
| D1 | ||
| Da max | 56 mm | |
| d1 | 48,6 mm | |
| da min | 47 mm | |
| ra max | 0,3 mm | |
| rmin | 0,3 mm | |
| α | 25 ° | Угол контакта |
| m | 0,053 kg | Вес |
| Cr | 7200 N | динамическая грузоподъемность, радиальная |
| C0r | 8300 N | статическая грузоподъемность, радиальная |
| Cur | 465 N | радиальная нагрузка предела усталости |
| nG | 9300 1/min | предельная частота вращения |
| nB | 5700 1/min | Базовая тепловая частота вращения |
| Суффикс | Описание |
| B | Изменения во внутренней конструкции, угол контакта α=25°, без канавки для ввода шариков |
| C2 | Осевой зазор C2 |
| C3 | Осевой зазор C3 |
| DA | Разъемное внутреннее кольцо |
| M | Массивный латунный сепаратор с центрированием по телам качения |
| MA | Массивный латунный сепаратор с центрированием по наружнему кольцу |
| TVH | Массивный полиамидный сепаратор с защелкивающимися ячейками, центрированный по телам качения |
| 2RSR, 2HRS | Контактные уплотнения с двух сторон |
| 2Z | Защитные шайбы с двух сторон |
Ознакомьтесь также с
Самоустанавливающийся роликоподшипник для машин с колебательным механизмом 22322-E1-K-T41A + AHX2322G, FAG, Самоустанавливающийся роликоподшипник для машин с колебательным механизмом 22324-E1-K-T41A + AHX2324G, FAG, Самоустанавливающийся роликоподшипник для машин с колебательным механизмом 22326-E1-K-T41A + AHX2326G, FAG, Самоустанавливающийся роликоподшипник для машин с колебательным механизмом 22328-E1-K-T41A + AHX2328G, FAG, Самоустанавливающийся роликоподшипник для машин с колебательным механизмом 22330-E1-K-T41A + AHX2330G, FAG, Самоустанавливающийся роликоподшипник для машин с колебательным механизмом 22332-E1-K-JPA-T41A + AH2332G, FAG, Самоустанавливающийся роликоподшипник для машин с колебательным механизмом 22334-E1-K-JPA-T41A + AH2334G, FAG, Самоустанавливающийся роликоподшипник для машин с колебательным механизмом 22336-E1-K-JPA-T41A + AH2336G, FAG
Крупногабаритные подшипники используются во всем мире практически во всех отраслях . Экстремальные условия эксплуатации в этих отраслях требуют от подшипников максимальной износостойкости и долговечности. В технологическом оборудовании, стоимость простоев и ремонта которого намного превышает стоимость опоры, эксплуатирующей стороне очень важно иметь возможность положиться на функциональность и работоспособность подшипников.
Оставить заявкуВ машиностроении одним из основных компонентов производимой продукции является подшипник. Его роль особенно важна в механизмах и устройствах, в которых имеет место движение элементов конструкции относительно друг друга.
Главная функция подшипников - это снижение трения и последующего износа. Именно в этой отрасли производства к подшипникам предъявляются высокие требования по прочности и качеству.
Оставить заявкуВ сельском хозяйстве подшипники подвергаются серьезным нагрузкам, особенно в период сбора урожая, или подготовки земли к высадке.
Кроме обычных стандартных подшипников, в механизмах тракторов и другой сельскохозяйственной техники присутствуют подшипники, спроектированные и выпущенные именно для использования в этой сфере со своей специально продуманной конструкцией.
Оставить заявкуВ станкостроении подшипники играют ключевую роль и определяют надежность всего механизма. Они стоят практически в каждом узле станка, который работает с движением - это и вращение, и перемещение. При выборе подшипников в этой отрасли играют следующие критерии:
. размер детали;
. скорость вращения;
. величина и направление нагрузок.
Оставить заявкуПодшипники в строительстве являются наиболее уязвимыми элементами конструкций. На них держатся тонны материалов, они подвергаются значительным нагрузкам, справится с которыми могут только качественные подшипники. Они обеспечивают плавность движения, снижение трения и поддержание надежности многих строительных систем и машин. их правильный выбор и обслуживание содействует увеличению срока службы и эффективности оборудования в строительстве.
Оставить заявкуСовременные ветроэнергетические установки предъявляют особые требования к качеству опоры вала. Лопасти, являющиеся неотъемлемой частью таких установок, в процессе работы создают большие опрокидывающие усилия, способные разрушить генератор. Поэтому подшипниковый узел должен обеспечивать максимально надежную фиксацию в пространстве и иметь высокую прочность.
Оставить заявкуНаш менеджер Вам поможет!