8 800 707-00-91
Связаться с нами
info@podshipniki-gc.ru

Подшипники мировых брендов.

Купить Радиально-упорные шарикоподшипники 7220-B-TVP, FAG с доставкой по России

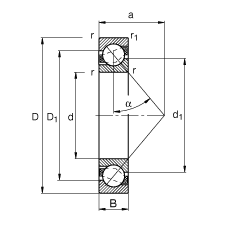
Радиально-упорные шарикоподшипники 7220-B-TVP, FAG
Основные размеры по DIN 628-1, угол контакта α = 40°
d 100 mm   
D 180 mm   
B 34 mm   

a 76 mm   
D1 149,6 mm   
Da max 168 mm   
Db max 173 mm   
d1 132,3 mm   
da min 112 mm   
r1 min 1,1 mm   
ra max 2,1 mm   
ra1 max 1 mm   
rmin 2,1 mm   
α 40 °  Угол контакта

m 3,17 kg  Вес
Cr 142000 N  динамическая грузоподъемность, радиальная
C0r 124000 N  статическая грузоподъемность, радиальная
nG 4400 1/min  Предельная частота вращения
nB 4250 1/min  Базовая тепловая частота вращения
Cur 7100 N  Нагрузка предела усталости, радиальная

Суффикс Описание
B Изменения во внутренней конструкции
JP Штампованный стальной сепаратор
MP Массивный латунный сепаратор
DB Два специально подобранных без зазора радиально-упорных шарикоподшипника для установки по схеме "О"
DF Два специально подобранных без зазора радиально-упорных шарикоподшипника для установки по схеме "X"
DT Два специально подобранных без зазора радиально-упорных шарикоподшипника для установки по схеме "Тандем"
TVH, TVP Массивный сепаратор из армированного стекловолокном полиамида
UA Универсальное исполнение для установки парами по схемам "X" и "О", пара подшипников имеет небольшой осевой зазор
UL Универсальное исполнение для установки парами по схемам "X" и "О", пара подшипников имеет небольшой осевой натяг
UO Универсальное исполнение для установки парами по схемам "X" и "О", пара подшипников имеет нулевой зазор
P5 Подшипники по классу точности P5
2RS Контактное уплотнение с двух сторон

Получите выгодное коммерческое предложение от нас

Сферы применения подшипников

Подшипники в добыче и переработке сырья

Подшипники в добыче и переработке сырья

Крупногабаритные подшипники используются во всем мире практически во всех отраслях . Экстремальные условия эксплуатации в этих отраслях требуют от подшипников максимальной износостойкости и долговечности. В технологическом оборудовании, стоимость простоев и ремонта которого намного превышает стоимость опоры, эксплуатирующей стороне очень важно иметь возможность положиться на функциональность и работоспособность подшипников.

Оставить заявку
Подшипники в машиностроении

Подшипники в машиностроении

В машиностроении одним из основных компонентов производимой продукции является подшипник. Его роль особенно важна в механизмах и устройствах, в которых имеет место движение элементов конструкции относительно друг друга.

Главная функция подшипников - это снижение трения и последующего износа. Именно в этой отрасли производства к подшипникам предъявляются высокие требования по прочности и качеству.

Оставить заявку
Подшипники в сельском хозяйстве

Подшипники в сельском хозяйстве

В сельском хозяйстве подшипники подвергаются серьезным нагрузкам, особенно в период сбора урожая, или подготовки земли к высадке.

Кроме обычных стандартных подшипников, в механизмах тракторов и другой сельскохозяйственной техники присутствуют подшипники, спроектированные и выпущенные именно для использования в этой сфере со своей специально продуманной конструкцией.

Оставить заявку
Подшипники в станкостроении

Подшипники в станкостроении

В станкостроении подшипники играют ключевую роль и определяют надежность всего механизма. Они стоят практически в каждом узле станка, который работает с движением - это и вращение, и перемещение. При выборе подшипников в этой отрасли играют следующие критерии:

. размер детали;

. скорость вращения;

. величина и направление нагрузок.

Оставить заявку
Подшипники для строительства

Подшипники для строительства

Подшипники в строительстве являются наиболее уязвимыми элементами конструкций. На них держатся тонны материалов, они подвергаются значительным нагрузкам, справится с которыми могут только качественные подшипники. Они обеспечивают плавность движения, снижение трения и поддержание надежности многих строительных систем и машин. их правильный выбор и обслуживание содействует увеличению срока службы и эффективности оборудования в строительстве.

Оставить заявку
Подшипники для энергетики

Подшипники для энергетики

Современные ветроэнергетические установки предъявляют особые требования к качеству опоры вала. Лопасти, являющиеся неотъемлемой частью таких установок, в процессе работы создают большие опрокидывающие усилия, способные разрушить генератор. Поэтому подшипниковый узел должен обеспечивать максимально надежную фиксацию в пространстве и иметь высокую прочность.

Оставить заявку

Не нашли нужный товар или аналог?

Наш менеджер Вам поможет!

Санкт-Петербург

Люботинский проспект, д. 2-4, лит. Б

8 800 707-00-91

Москва

ул. Нижние поля, д. 31

8 800 707-00-91

Обратный звонок

Для получения выгодного коммерческого предложения заполните форму ниже