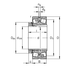
| d1H | 125 mm | |
| D | 250 mm | |
| B | 88 mm | |
| Ba min | 22 mm | |
| c | 24 mm | |
| D1 | 216 mm | |
| Da max | 236 mm | |
| Dm | 180 mm | |
| d | 140 mm | |
| da max | 162 mm | |
| db min | 152 mm | |
| ds | 6,3 mm | |
| l | 131 mm | |
| ns | 12,2 mm | |
| ra max | 2,5 mm | |
| rmin | 3 mm | |
| H2328 | Условное обозначение, закрепительная втулка | |
| m | 17,6 kg | Вес |
| m1 | 5,66 kg | Вес, закрепительная втулка |
| Cr | 1090000 N | динамическая грузоподъемность, радиальная |
| e | 0,33 | |
| Y1 | 2,04 | |
| Y2 | 3,04 | |
| C0r | 1400000 N | статическая грузоподъемность, радиальная |
| Y0 | 2 | |
| nG | 2600 1/min | Предельная частота вращения |
| nB | 1580 1/min | Базовая тепловая частота вращения |
| Cur | 112000 N | Нагрузка предела усталости, радиальная |
| Суффикс | Описание |
| A | Изменения во внутренней конструкции |
| B | Изменения во внутренней конструкции |
| E1 | Усиленное исполнение |
| K | Коническое отверстие, конусность 1:12 |
| K30 | Коническое отверстие, конусность 1:30 |
| M | Массивный латунный сепаратор с центрированием по телам качения |
| MA | Массивный латунный сепаратор с центрированием по наружнему кольцу |
| MB | Массивный латунный сепаратор с центрированием по внутреннему кольцу |
| S | Кольцевая канавка и смазочные отверстия в наружнем кольце |
| T41A | Для вибрационных нагрузок, с более узкими допусками диаметров, радиальный зазор C4 |
| T41D | Для вибрационных нагрузок, с более узкими допусками диаметров, радиальный зазор C4, отверстие с тонким хромовым покрытием |
| TVPB | Массивный сепаратор с окнами из армированного стекловолокном полиамида, центрирование по внутреннему кольцу |
Ознакомьтесь также с
Игольчатые роликоподшипники с одним наружным штампованным кольцом, закрытым с одной стороны BCE146, INA, Игольчатые роликоподшипники с одним наружным штампованным кольцом, закрытым с одной стороны BCE148, INA, Игольчатые роликоподшипники с одним наружным штампованным кольцом, закрытым с одной стороны BCE1412, INA, Игольчатые роликоподшипники с одним наружным штампованным кольцом, закрытым с одной стороны BCE1416, INA, Игольчатые роликоподшипники с одним наружным штампованным кольцом, закрытым с одной стороны BCE1516, INA, Игольчатые роликоподшипники с одним наружным штампованным кольцом, закрытым с одной стороны BCE166, INA, Игольчатые роликоподшипники с одним наружным штампованным кольцом, закрытым с одной стороны BCE168, INA, Игольчатые роликоподшипники с одним наружным штампованным кольцом, закрытым с одной стороны BCE1612, INA
Крупногабаритные подшипники используются во всем мире практически во всех отраслях . Экстремальные условия эксплуатации в этих отраслях требуют от подшипников максимальной износостойкости и долговечности. В технологическом оборудовании, стоимость простоев и ремонта которого намного превышает стоимость опоры, эксплуатирующей стороне очень важно иметь возможность положиться на функциональность и работоспособность подшипников.
Оставить заявкуВ машиностроении одним из основных компонентов производимой продукции является подшипник. Его роль особенно важна в механизмах и устройствах, в которых имеет место движение элементов конструкции относительно друг друга.
Главная функция подшипников - это снижение трения и последующего износа. Именно в этой отрасли производства к подшипникам предъявляются высокие требования по прочности и качеству.
Оставить заявкуВ сельском хозяйстве подшипники подвергаются серьезным нагрузкам, особенно в период сбора урожая, или подготовки земли к высадке.
Кроме обычных стандартных подшипников, в механизмах тракторов и другой сельскохозяйственной техники присутствуют подшипники, спроектированные и выпущенные именно для использования в этой сфере со своей специально продуманной конструкцией.
Оставить заявкуВ станкостроении подшипники играют ключевую роль и определяют надежность всего механизма. Они стоят практически в каждом узле станка, который работает с движением - это и вращение, и перемещение. При выборе подшипников в этой отрасли играют следующие критерии:
. размер детали;
. скорость вращения;
. величина и направление нагрузок.
Оставить заявкуПодшипники в строительстве являются наиболее уязвимыми элементами конструкций. На них держатся тонны материалов, они подвергаются значительным нагрузкам, справится с которыми могут только качественные подшипники. Они обеспечивают плавность движения, снижение трения и поддержание надежности многих строительных систем и машин. их правильный выбор и обслуживание содействует увеличению срока службы и эффективности оборудования в строительстве.
Оставить заявкуСовременные ветроэнергетические установки предъявляют особые требования к качеству опоры вала. Лопасти, являющиеся неотъемлемой частью таких установок, в процессе работы создают большие опрокидывающие усилия, способные разрушить генератор. Поэтому подшипниковый узел должен обеспечивать максимально надежную фиксацию в пространстве и иметь высокую прочность.
Оставить заявкуНаш менеджер Вам поможет!