8 800 707-00-91
Связаться с нами
info@podshipniki-gc.ru

Подшипники мировых брендов.

Купить Самоустанавливающийся роликоподшипник 232/670-B-MB, FAG с доставкой по России

Самоустанавливающийся роликоподшипник 232/670-B-MB, FAG
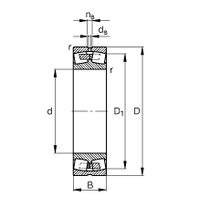
Основные размеры по DIN 635-2
d 670 mm   
D 1220 mm   
B 438 mm   

D1 1030,7 mm   
Da max 1172 mm   
da min 718 mm   
ds 12,5 mm   
ns 23,5 mm   
ra max 10 mm   
rmin 12 mm   

m 2317 kg  Вес
Cr 16000000 N  динамическая грузоподъемность, радиальная
e 0,37   
Y1 1,82   
Y2 2,7   
C0r 32000000 N  статическая грузоподъемность, радиальная
Y0 1,78   
nG 430 1/min  Предельная частота вращения
nB 167 1/min  Базовая тепловая частота вращения
Cur 2100000 N  Нагрузка предела усталости, радиальная

Суффикс Описание
A Изменения во внутренней конструкции
B Изменения во внутренней конструкции
E1 Усиленное исполнение
K Коническое отверстие, конусность 1:12
K30 Коническое отверстие, конусность 1:30
M Массивный латунный сепаратор с центрированием по телам качения
MA Массивный латунный сепаратор с центрированием по наружнему кольцу
MB Массивный латунный сепаратор с центрированием по внутреннему кольцу
S Кольцевая канавка и смазочные отверстия в наружнем кольце
T41A Для вибрационных нагрузок, с более узкими допусками диаметров, радиальный зазор C4
T41D Для вибрационных нагрузок, с более узкими допусками диаметров, радиальный зазор C4, отверстие с тонким хромовым покрытием
TVPB Массивный сепаратор с окнами из армированного стекловолокном полиамида, центрирование по внутреннему кольцу

Получите выгодное коммерческое предложение от нас

Сферы применения подшипников

Подшипники в добыче и переработке сырья

Подшипники в добыче и переработке сырья

Крупногабаритные подшипники используются во всем мире практически во всех отраслях . Экстремальные условия эксплуатации в этих отраслях требуют от подшипников максимальной износостойкости и долговечности. В технологическом оборудовании, стоимость простоев и ремонта которого намного превышает стоимость опоры, эксплуатирующей стороне очень важно иметь возможность положиться на функциональность и работоспособность подшипников.

Оставить заявку
Подшипники в машиностроении

Подшипники в машиностроении

В машиностроении одним из основных компонентов производимой продукции является подшипник. Его роль особенно важна в механизмах и устройствах, в которых имеет место движение элементов конструкции относительно друг друга.

Главная функция подшипников - это снижение трения и последующего износа. Именно в этой отрасли производства к подшипникам предъявляются высокие требования по прочности и качеству.

Оставить заявку
Подшипники в сельском хозяйстве

Подшипники в сельском хозяйстве

В сельском хозяйстве подшипники подвергаются серьезным нагрузкам, особенно в период сбора урожая, или подготовки земли к высадке.

Кроме обычных стандартных подшипников, в механизмах тракторов и другой сельскохозяйственной техники присутствуют подшипники, спроектированные и выпущенные именно для использования в этой сфере со своей специально продуманной конструкцией.

Оставить заявку
Подшипники в станкостроении

Подшипники в станкостроении

В станкостроении подшипники играют ключевую роль и определяют надежность всего механизма. Они стоят практически в каждом узле станка, который работает с движением - это и вращение, и перемещение. При выборе подшипников в этой отрасли играют следующие критерии:

. размер детали;

. скорость вращения;

. величина и направление нагрузок.

Оставить заявку
Подшипники для строительства

Подшипники для строительства

Подшипники в строительстве являются наиболее уязвимыми элементами конструкций. На них держатся тонны материалов, они подвергаются значительным нагрузкам, справится с которыми могут только качественные подшипники. Они обеспечивают плавность движения, снижение трения и поддержание надежности многих строительных систем и машин. их правильный выбор и обслуживание содействует увеличению срока службы и эффективности оборудования в строительстве.

Оставить заявку
Подшипники для энергетики

Подшипники для энергетики

Современные ветроэнергетические установки предъявляют особые требования к качеству опоры вала. Лопасти, являющиеся неотъемлемой частью таких установок, в процессе работы создают большие опрокидывающие усилия, способные разрушить генератор. Поэтому подшипниковый узел должен обеспечивать максимально надежную фиксацию в пространстве и иметь высокую прочность.

Оставить заявку

Не нашли нужный товар или аналог?

Наш менеджер Вам поможет!

Санкт-Петербург

Люботинский проспект, д. 2-4, лит. Б

8 800 707-00-91

Москва

ул. Нижние поля, д. 31

8 800 707-00-91

Обратный звонок

Для получения выгодного коммерческого предложения заполните форму ниже