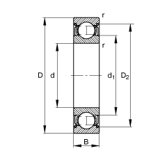
| d | 100 mm | |
| D | 150 mm | |
| B | 24 mm | |
| D2 | 137,3 mm | |
| Da max | 143 mm | |
| d1 | 116,2 mm | |
| da min | 107 mm | |
| ra max | 1,5 mm | |
| rmin | 1,5 mm | |
| m | 1,35 kg | Вес |
| Cr | 64000 N | динамическая грузоподъемность, радиальная |
| C0r | 54000 N | статическая грузоподъемность, радиальная |
| nG | 5200 1/min | Предельная частота вращения |
| nB | 5100 1/min | Базовая тепловая частота вращения |
| Cur | 2950 N | Нагрузка предела усталости, радиальная |
| Суффикс | Описание |
| C3 | Радиальный зазор больше нормального |
| B | Изменения во внутренней конструкции |
| M | Массивный латунный сепаратор с центрированием по телам качения |
| DB | Два специально подобранных без зазора радиальных шарикоподшипника для установки по схеме "О" |
| DF | Два специально подобранных без зазора радиальных шарикоподшипника для установки по схеме "X" |
| DT | Два специально подобранных без зазора радиальных шарикоподшипника для установки по схеме "Тандем" |
| 2RSR | Контактные уплотнения с двух сторон |
| RSR | Контактное уплотнение с одной стороны |
| BRS | Лабиринтное уплотнение |
| TVH | Сепаратор из армированного стекловолокном полиамида |
| Y | Штампованный латунный сепаратор |
| 2Z | Защитные шайбы с двух сторон |
| Z | Защитная шайба с одной стороны |
Ознакомьтесь также с
Игольчатые роликоподшипники с одним наружным штампованным кольцом, закрытым с одной стороны BCE810, INA, Игольчатые роликоподшипники с одним наружным штампованным кольцом, закрытым с одной стороны BCE812, INA, Игольчатые роликоподшипники с одним наружным штампованным кольцом, закрытым с одной стороны BCE96, INA, Игольчатые роликоподшипники с одним наружным штампованным кольцом, закрытым с одной стороны BCE98, INA, Игольчатые роликоподшипники с одним наружным штампованным кольцом, закрытым с одной стороны BCE910, INA, Игольчатые роликоподшипники с одним наружным штампованным кольцом, закрытым с одной стороны BCE912, INA, Игольчатые роликоподшипники с одним наружным штампованным кольцом, закрытым с одной стороны BCE105, INA, Игольчатые роликоподшипники с одним наружным штампованным кольцом, закрытым с одной стороны BCE107, INA
Крупногабаритные подшипники используются во всем мире практически во всех отраслях . Экстремальные условия эксплуатации в этих отраслях требуют от подшипников максимальной износостойкости и долговечности. В технологическом оборудовании, стоимость простоев и ремонта которого намного превышает стоимость опоры, эксплуатирующей стороне очень важно иметь возможность положиться на функциональность и работоспособность подшипников.
Оставить заявкуВ машиностроении одним из основных компонентов производимой продукции является подшипник. Его роль особенно важна в механизмах и устройствах, в которых имеет место движение элементов конструкции относительно друг друга.
Главная функция подшипников - это снижение трения и последующего износа. Именно в этой отрасли производства к подшипникам предъявляются высокие требования по прочности и качеству.
Оставить заявкуВ сельском хозяйстве подшипники подвергаются серьезным нагрузкам, особенно в период сбора урожая, или подготовки земли к высадке.
Кроме обычных стандартных подшипников, в механизмах тракторов и другой сельскохозяйственной техники присутствуют подшипники, спроектированные и выпущенные именно для использования в этой сфере со своей специально продуманной конструкцией.
Оставить заявкуВ станкостроении подшипники играют ключевую роль и определяют надежность всего механизма. Они стоят практически в каждом узле станка, который работает с движением - это и вращение, и перемещение. При выборе подшипников в этой отрасли играют следующие критерии:
. размер детали;
. скорость вращения;
. величина и направление нагрузок.
Оставить заявкуПодшипники в строительстве являются наиболее уязвимыми элементами конструкций. На них держатся тонны материалов, они подвергаются значительным нагрузкам, справится с которыми могут только качественные подшипники. Они обеспечивают плавность движения, снижение трения и поддержание надежности многих строительных систем и машин. их правильный выбор и обслуживание содействует увеличению срока службы и эффективности оборудования в строительстве.
Оставить заявкуСовременные ветроэнергетические установки предъявляют особые требования к качеству опоры вала. Лопасти, являющиеся неотъемлемой частью таких установок, в процессе работы создают большие опрокидывающие усилия, способные разрушить генератор. Поэтому подшипниковый узел должен обеспечивать максимально надежную фиксацию в пространстве и иметь высокую прочность.
Оставить заявкуНаш менеджер Вам поможет!