8 800 707-00-91
Связаться с нами
info@podshipniki-gc.ru

Подшипники мировых брендов.

Купить Шарикоподшипники радиальные 6200, FAG с доставкой по России

Шарикоподшипники радиальные 6200, FAG
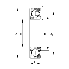
Основные размеры по DIN 625-1
d 10 mm   
D 30 mm   
B 9 mm   

D1 24 mm   
Da max 25,8 mm   
d1 16,7 mm   
da min 14,2 mm   
ra max 0,6 mm   
rmin 0,6 mm   

m 0,031 kg  Вес
Cr 6300 N  динамическая грузоподъемность, радиальная
C0r 2600 N  статическая грузоподъемность, радиальная
nG 37000 1/min  Предельная частота вращения
nB 23400 1/min  Базовая тепловая частота вращения
Cur 133 N  Нагрузка предела усталости, радиальная

Суффикс Описание
C3 Радиальный зазор больше нормального
B Изменения во внутренней конструкции
M Массивный латунный сепаратор с центрированием по телам качения
DB Два специально подобранных без зазора радиальных шарикоподшипника для установки по схеме "О"
DF Два специально подобранных без зазора радиальных шарикоподшипника для установки по схеме "X"
DT Два специально подобранных без зазора радиальных шарикоподшипника для установки по схеме "Тандем"
2RSR Контактные уплотнения с двух сторон
RSR Контактное уплотнение с одной стороны
BRS  Лабиринтное уплотнение
TVH Сепаратор из армированного стекловолокном полиамида
Y Штампованный латунный сепаратор
2Z Защитные шайбы с двух сторон
Z Защитная шайба с одной стороны

Получите выгодное коммерческое предложение от нас

Сферы применения подшипников

Подшипники в добыче и переработке сырья

Подшипники в добыче и переработке сырья

Крупногабаритные подшипники используются во всем мире практически во всех отраслях . Экстремальные условия эксплуатации в этих отраслях требуют от подшипников максимальной износостойкости и долговечности. В технологическом оборудовании, стоимость простоев и ремонта которого намного превышает стоимость опоры, эксплуатирующей стороне очень важно иметь возможность положиться на функциональность и работоспособность подшипников.

Оставить заявку
Подшипники в машиностроении

Подшипники в машиностроении

В машиностроении одним из основных компонентов производимой продукции является подшипник. Его роль особенно важна в механизмах и устройствах, в которых имеет место движение элементов конструкции относительно друг друга.

Главная функция подшипников - это снижение трения и последующего износа. Именно в этой отрасли производства к подшипникам предъявляются высокие требования по прочности и качеству.

Оставить заявку
Подшипники в сельском хозяйстве

Подшипники в сельском хозяйстве

В сельском хозяйстве подшипники подвергаются серьезным нагрузкам, особенно в период сбора урожая, или подготовки земли к высадке.

Кроме обычных стандартных подшипников, в механизмах тракторов и другой сельскохозяйственной техники присутствуют подшипники, спроектированные и выпущенные именно для использования в этой сфере со своей специально продуманной конструкцией.

Оставить заявку
Подшипники в станкостроении

Подшипники в станкостроении

В станкостроении подшипники играют ключевую роль и определяют надежность всего механизма. Они стоят практически в каждом узле станка, который работает с движением - это и вращение, и перемещение. При выборе подшипников в этой отрасли играют следующие критерии:

. размер детали;

. скорость вращения;

. величина и направление нагрузок.

Оставить заявку
Подшипники для строительства

Подшипники для строительства

Подшипники в строительстве являются наиболее уязвимыми элементами конструкций. На них держатся тонны материалов, они подвергаются значительным нагрузкам, справится с которыми могут только качественные подшипники. Они обеспечивают плавность движения, снижение трения и поддержание надежности многих строительных систем и машин. их правильный выбор и обслуживание содействует увеличению срока службы и эффективности оборудования в строительстве.

Оставить заявку
Подшипники для энергетики

Подшипники для энергетики

Современные ветроэнергетические установки предъявляют особые требования к качеству опоры вала. Лопасти, являющиеся неотъемлемой частью таких установок, в процессе работы создают большие опрокидывающие усилия, способные разрушить генератор. Поэтому подшипниковый узел должен обеспечивать максимально надежную фиксацию в пространстве и иметь высокую прочность.

Оставить заявку

Не нашли нужный товар или аналог?

Наш менеджер Вам поможет!

Санкт-Петербург

Люботинский проспект, д. 2-4, лит. Б

8 800 707-00-91

Москва

ул. Нижние поля, д. 31

8 800 707-00-91

Обратный звонок

Для получения выгодного коммерческого предложения заполните форму ниже