8 800 707-00-91
Связаться с нами
info@podshipniki-gc.ru

Подшипники мировых брендов.

Купить Цилиндрические роликоподшипники NUP2214-E-TVP2, FAG с доставкой по России

Цилиндрические роликоподшипники NUP2214-E-TVP2, FAG
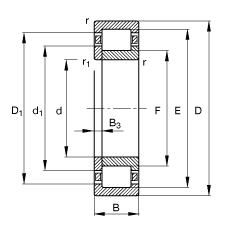
Основные размеры по DIN 5412-1, фиксированные подшипники, разъемные, с сепаратором
d 70 mm   
D 125 mm   
B 31 mm   

B3 4,5 mm   
D1 109,4 mm   
Da max 116 mm   
d1 89,4 mm   
da min 79 mm   
dc min 92 mm   
E 113,5 mm   
F 83,5 mm   
r1 min 1,5 mm   
ra max 1,5 mm   
rmin 1,5 mm   

m 1,58 kg  Вес
Cr 185000 N  динамическая грузоподъемность, радиальная
C0r 195000 N  статическая грузоподъемность, радиальная
nG 6800 1/min  Предельная частота вращения
nB 3900 1/min  Базовая тепловая частота вращения
Cur 35500 N  Нагрузка предела усталости, радиальная

Суффикс Описание
С3 Радиальный зазор больше нормального
C4 Радиальный зазор больше, чем C3
J30P С воронением
E Усиленное исполнение подшипника
EX Усиленное исполнение подшипника, конструкция приведена в соответствие нормам (детали этих подшипников нельзя заменять деталями подшипников равного размера в исполнении E)
M1 Массивный латунный сепаратор из 2-х частей, с центрированием по телам качения
TVP2 Массивный сепаратор с окнами из армированного стекловолокном полиамида PA66
JP3 Штампованный стальной однотельный сепаратор с центрированием по телам качения
MP1A Массивный латунный однотельный сепаратор с центрированием по бортам наружнего кольца
MP1B Массивный латунный однотельный сепаратор с центрированием по бортам внутреннего кольца
M1A Массивный латунный сепаратор из 2-х частей с центрированием по бортам наружнего кольца
M1B Массивный латунный сепаратор из 2-х частей с центрированием по бортам внутреннего кольца
K Коническое отверстие
S Кольцевая канавка и смазочные отверстия в наружнем кольце
SP Класс точности SP

Получите выгодное коммерческое предложение от нас

Сферы применения подшипников

Подшипники в добыче и переработке сырья

Подшипники в добыче и переработке сырья

Крупногабаритные подшипники используются во всем мире практически во всех отраслях . Экстремальные условия эксплуатации в этих отраслях требуют от подшипников максимальной износостойкости и долговечности. В технологическом оборудовании, стоимость простоев и ремонта которого намного превышает стоимость опоры, эксплуатирующей стороне очень важно иметь возможность положиться на функциональность и работоспособность подшипников.

Оставить заявку
Подшипники в машиностроении

Подшипники в машиностроении

В машиностроении одним из основных компонентов производимой продукции является подшипник. Его роль особенно важна в механизмах и устройствах, в которых имеет место движение элементов конструкции относительно друг друга.

Главная функция подшипников - это снижение трения и последующего износа. Именно в этой отрасли производства к подшипникам предъявляются высокие требования по прочности и качеству.

Оставить заявку
Подшипники в сельском хозяйстве

Подшипники в сельском хозяйстве

В сельском хозяйстве подшипники подвергаются серьезным нагрузкам, особенно в период сбора урожая, или подготовки земли к высадке.

Кроме обычных стандартных подшипников, в механизмах тракторов и другой сельскохозяйственной техники присутствуют подшипники, спроектированные и выпущенные именно для использования в этой сфере со своей специально продуманной конструкцией.

Оставить заявку
Подшипники в станкостроении

Подшипники в станкостроении

В станкостроении подшипники играют ключевую роль и определяют надежность всего механизма. Они стоят практически в каждом узле станка, который работает с движением - это и вращение, и перемещение. При выборе подшипников в этой отрасли играют следующие критерии:

. размер детали;

. скорость вращения;

. величина и направление нагрузок.

Оставить заявку
Подшипники для строительства

Подшипники для строительства

Подшипники в строительстве являются наиболее уязвимыми элементами конструкций. На них держатся тонны материалов, они подвергаются значительным нагрузкам, справится с которыми могут только качественные подшипники. Они обеспечивают плавность движения, снижение трения и поддержание надежности многих строительных систем и машин. их правильный выбор и обслуживание содействует увеличению срока службы и эффективности оборудования в строительстве.

Оставить заявку
Подшипники для энергетики

Подшипники для энергетики

Современные ветроэнергетические установки предъявляют особые требования к качеству опоры вала. Лопасти, являющиеся неотъемлемой частью таких установок, в процессе работы создают большие опрокидывающие усилия, способные разрушить генератор. Поэтому подшипниковый узел должен обеспечивать максимально надежную фиксацию в пространстве и иметь высокую прочность.

Оставить заявку

Не нашли нужный товар или аналог?

Наш менеджер Вам поможет!

Санкт-Петербург

Люботинский проспект, д. 2-4, лит. Б

8 800 707-00-91

Москва

ул. Нижние поля, д. 31

8 800 707-00-91

Обратный звонок

Для получения выгодного коммерческого предложения заполните форму ниже