8 800 707-00-91
Связаться с нами
info@podshipniki-gc.ru

Подшипники мировых брендов.

Купить Цилиндрические роликоподшипники SL04240-PP, INA с доставкой по России

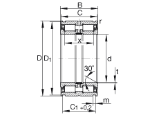
Цилиндрические роликоподшипники SL04240-PP, INA
Фиксированные подшипники, двухрядные, роликовые без сепаратора, легкая серия, с кольцевыми канавками на наружном кольце, контактные уплотнения с двух сторон
d 240 mm   
D 320 mm   
B 95 mm   

30 °  Фазовый угол
C 94 mm   
C1 83,2 mm  Допуск: +0,2
Ca1 75 mm  присоединительный размер для пружинного стопорного кольца WRE (не входит в комплект поставки)Допуск: -0,2
Ca2 71 mm  присоединительный размер для стопорного кольца по DIN 471 (не входит в комплект поставки)Допуск: -0,2
D1 314 mm  Допуск: +0,2
d1 271,7 mm   
d2 287 mm   
d3 346 mm  наружный диаметр пружинного стопорного кольца WRE
m 6,3 mm   
rmin 1 mm   
t 2 mm   
X 72 mm  Расстояние между телами качения

m 21 kg  Вес
Cr 740000 N  динамическая грузоподъемность, радиальная
C0r 1700000 N  статическая грузоподъемность, радиальная
Cur 195000 N  нагрузка предела усталости радиальная
nG Fett 480 1/min  Предельная частота вращения при консистентной смазке
WRE320  обозначение пружинного стопорного кольца WRE (не входит в комплект поставки)
320X6  обозначение стопорного кольца по DIN 471 (не входит в комплект поставки)

Суффикс Описание
C3 Радиальный зазор больше нормального
C4 Радиальный зазор больше, чем C3
C5 Радиальный зазор больше, чем C4
RR Коррозионностойкое исполнение с покрытием Corrotect®
2NR Подшипники канатных шкивов с двумя стопорными кольцами WRE в комплекте
- Без уплотнений
P Уплотнение с одной стороны
PP Уплотнения с двух сторон, у подшипников канатных шкивов

Получите выгодное коммерческое предложение от нас

Сферы применения подшипников

Подшипники в добыче и переработке сырья

Подшипники в добыче и переработке сырья

Крупногабаритные подшипники используются во всем мире практически во всех отраслях . Экстремальные условия эксплуатации в этих отраслях требуют от подшипников максимальной износостойкости и долговечности. В технологическом оборудовании, стоимость простоев и ремонта которого намного превышает стоимость опоры, эксплуатирующей стороне очень важно иметь возможность положиться на функциональность и работоспособность подшипников.

Оставить заявку
Подшипники в машиностроении

Подшипники в машиностроении

В машиностроении одним из основных компонентов производимой продукции является подшипник. Его роль особенно важна в механизмах и устройствах, в которых имеет место движение элементов конструкции относительно друг друга.

Главная функция подшипников - это снижение трения и последующего износа. Именно в этой отрасли производства к подшипникам предъявляются высокие требования по прочности и качеству.

Оставить заявку
Подшипники в сельском хозяйстве

Подшипники в сельском хозяйстве

В сельском хозяйстве подшипники подвергаются серьезным нагрузкам, особенно в период сбора урожая, или подготовки земли к высадке.

Кроме обычных стандартных подшипников, в механизмах тракторов и другой сельскохозяйственной техники присутствуют подшипники, спроектированные и выпущенные именно для использования в этой сфере со своей специально продуманной конструкцией.

Оставить заявку
Подшипники в станкостроении

Подшипники в станкостроении

В станкостроении подшипники играют ключевую роль и определяют надежность всего механизма. Они стоят практически в каждом узле станка, который работает с движением - это и вращение, и перемещение. При выборе подшипников в этой отрасли играют следующие критерии:

. размер детали;

. скорость вращения;

. величина и направление нагрузок.

Оставить заявку
Подшипники для строительства

Подшипники для строительства

Подшипники в строительстве являются наиболее уязвимыми элементами конструкций. На них держатся тонны материалов, они подвергаются значительным нагрузкам, справится с которыми могут только качественные подшипники. Они обеспечивают плавность движения, снижение трения и поддержание надежности многих строительных систем и машин. их правильный выбор и обслуживание содействует увеличению срока службы и эффективности оборудования в строительстве.

Оставить заявку
Подшипники для энергетики

Подшипники для энергетики

Современные ветроэнергетические установки предъявляют особые требования к качеству опоры вала. Лопасти, являющиеся неотъемлемой частью таких установок, в процессе работы создают большие опрокидывающие усилия, способные разрушить генератор. Поэтому подшипниковый узел должен обеспечивать максимально надежную фиксацию в пространстве и иметь высокую прочность.

Оставить заявку

Не нашли нужный товар или аналог?

Наш менеджер Вам поможет!

Санкт-Петербург

Люботинский проспект, д. 2-4, лит. Б

8 800 707-00-91

Москва

ул. Нижние поля, д. 31

8 800 707-00-91

Обратный звонок

Для получения выгодного коммерческого предложения заполните форму ниже