| Вал | |
| d | 50 mm |
| Размеры | |
| o | 25 mm |
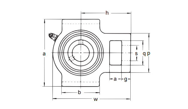
| g | 19 mm |
| p | 102 mm |
| q | 64 mm |
| s | 35 mm |
| b | 95 mm |
| h | 22 mm |
| e | 130 mm |
| a | 146 mm |
| w | 171 mm |
| i | 64 mm |
| l | 42 mm |
| h | 106 mm |
| Bi | 55,6 mm |
| n | 22,2 mm |
| Подшипник | UC X10 |
| Корпус | T X10 |
| Вес | 4,4 kg |
Ознакомьтесь также с
Игольчатые роликоподшипники с одним наружным штампованным кольцом, закрытым с одной стороны BCE88, INA, Игольчатые роликоподшипники с одним наружным штампованным кольцом, закрытым с одной стороны BCE810, INA, Игольчатые роликоподшипники с одним наружным штампованным кольцом, закрытым с одной стороны BCE812, INA, Игольчатые роликоподшипники с одним наружным штампованным кольцом, закрытым с одной стороны BCE96, INA, Игольчатые роликоподшипники с одним наружным штампованным кольцом, закрытым с одной стороны BCE98, INA, Игольчатые роликоподшипники с одним наружным штампованным кольцом, закрытым с одной стороны BCE910, INA, Игольчатые роликоподшипники с одним наружным штампованным кольцом, закрытым с одной стороны BCE912, INA, Игольчатые роликоподшипники с одним наружным штампованным кольцом, закрытым с одной стороны BCE105, INA
Крупногабаритные подшипники используются во всем мире практически во всех отраслях . Экстремальные условия эксплуатации в этих отраслях требуют от подшипников максимальной износостойкости и долговечности. В технологическом оборудовании, стоимость простоев и ремонта которого намного превышает стоимость опоры, эксплуатирующей стороне очень важно иметь возможность положиться на функциональность и работоспособность подшипников.
Оставить заявкуВ машиностроении одним из основных компонентов производимой продукции является подшипник. Его роль особенно важна в механизмах и устройствах, в которых имеет место движение элементов конструкции относительно друг друга.
Главная функция подшипников - это снижение трения и последующего износа. Именно в этой отрасли производства к подшипникам предъявляются высокие требования по прочности и качеству.
Оставить заявкуВ сельском хозяйстве подшипники подвергаются серьезным нагрузкам, особенно в период сбора урожая, или подготовки земли к высадке.
Кроме обычных стандартных подшипников, в механизмах тракторов и другой сельскохозяйственной техники присутствуют подшипники, спроектированные и выпущенные именно для использования в этой сфере со своей специально продуманной конструкцией.
Оставить заявкуВ станкостроении подшипники играют ключевую роль и определяют надежность всего механизма. Они стоят практически в каждом узле станка, который работает с движением - это и вращение, и перемещение. При выборе подшипников в этой отрасли играют следующие критерии:
. размер детали;
. скорость вращения;
. величина и направление нагрузок.
Оставить заявкуПодшипники в строительстве являются наиболее уязвимыми элементами конструкций. На них держатся тонны материалов, они подвергаются значительным нагрузкам, справится с которыми могут только качественные подшипники. Они обеспечивают плавность движения, снижение трения и поддержание надежности многих строительных систем и машин. их правильный выбор и обслуживание содействует увеличению срока службы и эффективности оборудования в строительстве.
Оставить заявкуСовременные ветроэнергетические установки предъявляют особые требования к качеству опоры вала. Лопасти, являющиеся неотъемлемой частью таких установок, в процессе работы создают большие опрокидывающие усилия, способные разрушить генератор. Поэтому подшипниковый узел должен обеспечивать максимально надежную фиксацию в пространстве и иметь высокую прочность.
Оставить заявкуНаш менеджер Вам поможет!