8 800 707-00-91
Связаться с нами
info@podshipniki-gc.ru

Подшипники мировых брендов.

Купить Упорно-радиальные игольчатые роликоподшипники ZAXFM1055, INA с доставкой по России

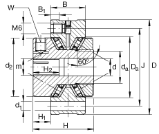
Упорно-радиальные игольчатые роликоподшипники ZAXFM1055, INA
двустороннего действия, с предварительным натягом
d 10 mm   
D 55 mm  Наружное кольцо подшипника с голубым анодированием.
B 20 mm   

1) подвод смазки
B1 5 mm   
Da min 35 mm   
d1 5,3 mm   
d2 34 mm   
d3 4,3 mm   
da max 19 mm   
H 35 mm   
H1 10 mm   
H2 15 mm   
J 45 mm   
m M10X1   
t 24 mm   
W 3 mm  резьбовой штифт по DIN 913

m 170 g  Вес
M5  крепежные винты по DIN 912Моменты затяжки винтов крепления согласно данным производителя. Винты по DIN 912 в комплект поставки не входят.
Ca 9600 N  динамическая грузоподъемность, осевая
C0a 24500 N  статическая грузоподъемность, осеваяP 0 zul = 0,5 x C 0a
nG Fett 1200 1/min  Предельная частота вращения
MRL 6 Ncm  момент трения в подшипникеВНИМАНИЕ: при выборе размеров должен быть учтен момент трения при пуске от 2 до 3 x M RL. Значения из таблиц являются ориентировочными при частоте вращения около 5 1/мин.
0,05 mm  величина торцовых биенийВНИМАНИЕ: при выборе размеров должен быть учтен момент трения при пуске от 2 до 3 x M RL. Значения из таблиц являются ориентировочными при частоте вращения около 5 1/мин.
caL 550 N/µm  осевая жесткость
Mm 0,1227 kg x cm^2  момент инерции массы для вращающегося внутреннего кольца и встроенной регулировочной гайки
Mm 5 Nm  резьбовой штифт по DIN 913
KGT12X2  рекомендуемый шариково-винтовой привод по DIN 69051
TR16X4  рекомендуемый привод с трапецеидальной резьбой по DIN 103
Сепараторы игольчатых подшипников изготовлены из пластмассы.Допустимая рабочая температура: +120 °C (при длительной эксплуатации)
Допуски сопрягаемой конструкции:допуск вала: h7допуск резьбы: 6g (резьба на ходовом винте для закрепления внутреннего кольца подшипника)допуск корпуса: Н8

Получите выгодное коммерческое предложение от нас

Сферы применения подшипников

Подшипники в добыче и переработке сырья

Подшипники в добыче и переработке сырья

Крупногабаритные подшипники используются во всем мире практически во всех отраслях . Экстремальные условия эксплуатации в этих отраслях требуют от подшипников максимальной износостойкости и долговечности. В технологическом оборудовании, стоимость простоев и ремонта которого намного превышает стоимость опоры, эксплуатирующей стороне очень важно иметь возможность положиться на функциональность и работоспособность подшипников.

Оставить заявку
Подшипники в машиностроении

Подшипники в машиностроении

В машиностроении одним из основных компонентов производимой продукции является подшипник. Его роль особенно важна в механизмах и устройствах, в которых имеет место движение элементов конструкции относительно друг друга.

Главная функция подшипников - это снижение трения и последующего износа. Именно в этой отрасли производства к подшипникам предъявляются высокие требования по прочности и качеству.

Оставить заявку
Подшипники в сельском хозяйстве

Подшипники в сельском хозяйстве

В сельском хозяйстве подшипники подвергаются серьезным нагрузкам, особенно в период сбора урожая, или подготовки земли к высадке.

Кроме обычных стандартных подшипников, в механизмах тракторов и другой сельскохозяйственной техники присутствуют подшипники, спроектированные и выпущенные именно для использования в этой сфере со своей специально продуманной конструкцией.

Оставить заявку
Подшипники в станкостроении

Подшипники в станкостроении

В станкостроении подшипники играют ключевую роль и определяют надежность всего механизма. Они стоят практически в каждом узле станка, который работает с движением - это и вращение, и перемещение. При выборе подшипников в этой отрасли играют следующие критерии:

. размер детали;

. скорость вращения;

. величина и направление нагрузок.

Оставить заявку
Подшипники для строительства

Подшипники для строительства

Подшипники в строительстве являются наиболее уязвимыми элементами конструкций. На них держатся тонны материалов, они подвергаются значительным нагрузкам, справится с которыми могут только качественные подшипники. Они обеспечивают плавность движения, снижение трения и поддержание надежности многих строительных систем и машин. их правильный выбор и обслуживание содействует увеличению срока службы и эффективности оборудования в строительстве.

Оставить заявку
Подшипники для энергетики

Подшипники для энергетики

Современные ветроэнергетические установки предъявляют особые требования к качеству опоры вала. Лопасти, являющиеся неотъемлемой частью таких установок, в процессе работы создают большие опрокидывающие усилия, способные разрушить генератор. Поэтому подшипниковый узел должен обеспечивать максимально надежную фиксацию в пространстве и иметь высокую прочность.

Оставить заявку

Не нашли нужный товар или аналог?

Наш менеджер Вам поможет!

Санкт-Петербург

Люботинский проспект, д. 2-4, лит. Б

8 800 707-00-91

Москва

ул. Нижние поля, д. 31

8 800 707-00-91

Обратный звонок

Для получения выгодного коммерческого предложения заполните форму ниже