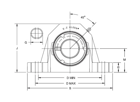
| Диаметр вала | 1-11/16″ |
| A | 1-55/64″ |
| B | 7-13/64″ |
| C | 2-7/64″ |
| Dmin | 5-31/32″ |
| Dmax | 5-27/64″ |
| F диаметр фиксирующего болта | 1/2″ |
| G | 7/8″ |
| H | 27/32″ |
| J | 4-5/16″ |
| L | 2-5/64″ |
| M | 2-1/8″ |
| R | 21/32″ |
| S | 1-3/16″ |
| Z | 1-9/32″ |
| Вес | 1,6 кг |
Ознакомьтесь также с
Самоустанавливающийся роликоподшипник для машин с колебательным механизмом 22314-E1-K-T41A + AHX2314G, FAG, Самоустанавливающийся роликоподшипник для машин с колебательным механизмом 22315-E1-K-T41A + AHX2315G, FAG, Самоустанавливающийся роликоподшипник для машин с колебательным механизмом 22316-E1-K-T41A + AHX2316, FAG, Самоустанавливающийся роликоподшипник для машин с колебательным механизмом 22317-E1-K-T41A + AHX2317, FAG, Самоустанавливающийся роликоподшипник для машин с колебательным механизмом 22318-E1-K-T41A + AHX2318, FAG, Самоустанавливающийся роликоподшипник для машин с колебательным механизмом 22319-E1-K-T41A + AHX2319, FAG, Самоустанавливающийся роликоподшипник для машин с колебательным механизмом 22320-E1-K-T41A + AHX2320, FAG, Самоустанавливающийся роликоподшипник для машин с колебательным механизмом 22322-E1-K-T41A + AHX2322G, FAG
Крупногабаритные подшипники используются во всем мире практически во всех отраслях . Экстремальные условия эксплуатации в этих отраслях требуют от подшипников максимальной износостойкости и долговечности. В технологическом оборудовании, стоимость простоев и ремонта которого намного превышает стоимость опоры, эксплуатирующей стороне очень важно иметь возможность положиться на функциональность и работоспособность подшипников.
Оставить заявкуВ машиностроении одним из основных компонентов производимой продукции является подшипник. Его роль особенно важна в механизмах и устройствах, в которых имеет место движение элементов конструкции относительно друг друга.
Главная функция подшипников - это снижение трения и последующего износа. Именно в этой отрасли производства к подшипникам предъявляются высокие требования по прочности и качеству.
Оставить заявкуВ сельском хозяйстве подшипники подвергаются серьезным нагрузкам, особенно в период сбора урожая, или подготовки земли к высадке.
Кроме обычных стандартных подшипников, в механизмах тракторов и другой сельскохозяйственной техники присутствуют подшипники, спроектированные и выпущенные именно для использования в этой сфере со своей специально продуманной конструкцией.
Оставить заявкуВ станкостроении подшипники играют ключевую роль и определяют надежность всего механизма. Они стоят практически в каждом узле станка, который работает с движением - это и вращение, и перемещение. При выборе подшипников в этой отрасли играют следующие критерии:
. размер детали;
. скорость вращения;
. величина и направление нагрузок.
Оставить заявкуПодшипники в строительстве являются наиболее уязвимыми элементами конструкций. На них держатся тонны материалов, они подвергаются значительным нагрузкам, справится с которыми могут только качественные подшипники. Они обеспечивают плавность движения, снижение трения и поддержание надежности многих строительных систем и машин. их правильный выбор и обслуживание содействует увеличению срока службы и эффективности оборудования в строительстве.
Оставить заявкуСовременные ветроэнергетические установки предъявляют особые требования к качеству опоры вала. Лопасти, являющиеся неотъемлемой частью таких установок, в процессе работы создают большие опрокидывающие усилия, способные разрушить генератор. Поэтому подшипниковый узел должен обеспечивать максимально надежную фиксацию в пространстве и иметь высокую прочность.
Оставить заявкуНаш менеджер Вам поможет!