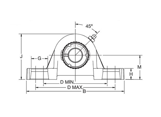
| Диаметр вала | 45 мм |
| A | 47,2 мм |
| B | 206,4 мм |
| C | 57,2 мм |
| Dmin | 152,4 мм |
| Dmax | 169,9 мм |
| F диаметр фиксирующего болта | M16 |
| G | 25,8 мм |
| H | 19,1 мм |
| J | 115,1 мм |
| L | 79,4 мм |
| M | 57,2 мм |
| R | 16,7 мм |
| S | 30,6 мм |
| U | 93,7 мм |
| V | 187,3 мм |
| W | 20,6 мм |
| X* | 4,8 мм |
| Z | 32,5 мм |
| Вес | 3,9 кг |
| *Только 1 опора подшипника может быть закреплена штифтом на вал |
Ознакомьтесь также с
Самоустанавливающийся роликоподшипник для машин с колебательным механизмом 22324-E1-K-T41A + AHX2324G, FAG, Самоустанавливающийся роликоподшипник для машин с колебательным механизмом 22326-E1-K-T41A + AHX2326G, FAG, Самоустанавливающийся роликоподшипник для машин с колебательным механизмом 22328-E1-K-T41A + AHX2328G, FAG, Самоустанавливающийся роликоподшипник для машин с колебательным механизмом 22330-E1-K-T41A + AHX2330G, FAG, Самоустанавливающийся роликоподшипник для машин с колебательным механизмом 22332-E1-K-JPA-T41A + AH2332G, FAG, Самоустанавливающийся роликоподшипник для машин с колебательным механизмом 22334-E1-K-JPA-T41A + AH2334G, FAG, Самоустанавливающийся роликоподшипник для машин с колебательным механизмом 22336-E1-K-JPA-T41A + AH2336G, FAG, Самоустанавливающийся роликоподшипник для машин с колебательным механизмом 22338-E1-K-JPA-T41A + AH2338G, FAG
Крупногабаритные подшипники используются во всем мире практически во всех отраслях . Экстремальные условия эксплуатации в этих отраслях требуют от подшипников максимальной износостойкости и долговечности. В технологическом оборудовании, стоимость простоев и ремонта которого намного превышает стоимость опоры, эксплуатирующей стороне очень важно иметь возможность положиться на функциональность и работоспособность подшипников.
Оставить заявкуВ машиностроении одним из основных компонентов производимой продукции является подшипник. Его роль особенно важна в механизмах и устройствах, в которых имеет место движение элементов конструкции относительно друг друга.
Главная функция подшипников - это снижение трения и последующего износа. Именно в этой отрасли производства к подшипникам предъявляются высокие требования по прочности и качеству.
Оставить заявкуВ сельском хозяйстве подшипники подвергаются серьезным нагрузкам, особенно в период сбора урожая, или подготовки земли к высадке.
Кроме обычных стандартных подшипников, в механизмах тракторов и другой сельскохозяйственной техники присутствуют подшипники, спроектированные и выпущенные именно для использования в этой сфере со своей специально продуманной конструкцией.
Оставить заявкуВ станкостроении подшипники играют ключевую роль и определяют надежность всего механизма. Они стоят практически в каждом узле станка, который работает с движением - это и вращение, и перемещение. При выборе подшипников в этой отрасли играют следующие критерии:
. размер детали;
. скорость вращения;
. величина и направление нагрузок.
Оставить заявкуПодшипники в строительстве являются наиболее уязвимыми элементами конструкций. На них держатся тонны материалов, они подвергаются значительным нагрузкам, справится с которыми могут только качественные подшипники. Они обеспечивают плавность движения, снижение трения и поддержание надежности многих строительных систем и машин. их правильный выбор и обслуживание содействует увеличению срока службы и эффективности оборудования в строительстве.
Оставить заявкуСовременные ветроэнергетические установки предъявляют особые требования к качеству опоры вала. Лопасти, являющиеся неотъемлемой частью таких установок, в процессе работы создают большие опрокидывающие усилия, способные разрушить генератор. Поэтому подшипниковый узел должен обеспечивать максимально надежную фиксацию в пространстве и иметь высокую прочность.
Оставить заявкуНаш менеджер Вам поможет!