8 800 707-00-91
Связаться с нами
info@podshipniki-gc.ru

Подшипники мировых брендов.

Купить Закрепляемые подшипники G1207-KRR-B-AS2/V, INA с доставкой по России

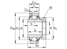
Закрепляемые подшипники G1207-KRR-B-AS2/V, INA
сферическое наружное кольцо, фиксация эксцентриковым закрепительным кольцом, двусторонние R-уплотнения, размер отверстия в дюймах
d 2 7/16 inch   
d 61,9125 mm   
DSP 110 mm   
B1 77,9 mm   

B 61,9 mm   
C 24 mm   
C2 29 mm   
Ca 7,2 mm   
D1 94,5 mm   
d1 76,5 mm   
d3 max 84 mm   
S 31 mm   
W 3/16 inch   

m 1,84 kg  Вес
Cr 52000 N  динамическая грузоподъемность, радиальная
C0r 36000 N  статическая грузоподъемность, радиальная
6212  Референсные подшипники для определения эквивалентных нагрузок.

Суффикс Описание
AS2/V Наружнее кольцо подшипника с 2 смазочными отверстиями в двух различных радиальных плоскостях
B Подшипники со сферической поверхностью наружнего кольца
2C Центробежные отражатели с двух сторон
FA101 Исполнение для высоких и низких температур от -40°C до +180°C
FA106 Подшипники со специальными требованиями по шуму
FA107 Подшипники со смазочными отверстиями со стороны закрепительного элемента
FA125,5 С покрытием Corrotect® — защитой от коррозии
FA164 Исполнение для высоких температур (до +250°C)
KRR С контактными уплотнениями с двух сторон (R-уплотнения)
KLL С лабиринтными уплотнениями с двух сторон (L-уплотнения)
KTT С контактными 3-кромочными уплотнениями с двух сторон (T-уплотнения)
NR Кольцевая канавка и пружинное стопорное кольцо у закрепляемых подшипников с цилиндрическим наружним кольцом
NPP С контактными уплотнениями с двух сторон (P-уплотнения)
OSE Подшипники без закрепительного элемента (без эксцентрикового закрепительного кольца)
2RSR С контактными уплотнениями с двух сторон (резинометаллические навулканизированные)
VA Коррозионностойкое исполнение из высоколегированной подшипниковой стали

Получите выгодное коммерческое предложение от нас

Сферы применения подшипников

Подшипники в добыче и переработке сырья

Подшипники в добыче и переработке сырья

Крупногабаритные подшипники используются во всем мире практически во всех отраслях . Экстремальные условия эксплуатации в этих отраслях требуют от подшипников максимальной износостойкости и долговечности. В технологическом оборудовании, стоимость простоев и ремонта которого намного превышает стоимость опоры, эксплуатирующей стороне очень важно иметь возможность положиться на функциональность и работоспособность подшипников.

Оставить заявку
Подшипники в машиностроении

Подшипники в машиностроении

В машиностроении одним из основных компонентов производимой продукции является подшипник. Его роль особенно важна в механизмах и устройствах, в которых имеет место движение элементов конструкции относительно друг друга.

Главная функция подшипников - это снижение трения и последующего износа. Именно в этой отрасли производства к подшипникам предъявляются высокие требования по прочности и качеству.

Оставить заявку
Подшипники в сельском хозяйстве

Подшипники в сельском хозяйстве

В сельском хозяйстве подшипники подвергаются серьезным нагрузкам, особенно в период сбора урожая, или подготовки земли к высадке.

Кроме обычных стандартных подшипников, в механизмах тракторов и другой сельскохозяйственной техники присутствуют подшипники, спроектированные и выпущенные именно для использования в этой сфере со своей специально продуманной конструкцией.

Оставить заявку
Подшипники в станкостроении

Подшипники в станкостроении

В станкостроении подшипники играют ключевую роль и определяют надежность всего механизма. Они стоят практически в каждом узле станка, который работает с движением - это и вращение, и перемещение. При выборе подшипников в этой отрасли играют следующие критерии:

. размер детали;

. скорость вращения;

. величина и направление нагрузок.

Оставить заявку
Подшипники для строительства

Подшипники для строительства

Подшипники в строительстве являются наиболее уязвимыми элементами конструкций. На них держатся тонны материалов, они подвергаются значительным нагрузкам, справится с которыми могут только качественные подшипники. Они обеспечивают плавность движения, снижение трения и поддержание надежности многих строительных систем и машин. их правильный выбор и обслуживание содействует увеличению срока службы и эффективности оборудования в строительстве.

Оставить заявку
Подшипники для энергетики

Подшипники для энергетики

Современные ветроэнергетические установки предъявляют особые требования к качеству опоры вала. Лопасти, являющиеся неотъемлемой частью таких установок, в процессе работы создают большие опрокидывающие усилия, способные разрушить генератор. Поэтому подшипниковый узел должен обеспечивать максимально надежную фиксацию в пространстве и иметь высокую прочность.

Оставить заявку

Не нашли нужный товар или аналог?

Наш менеджер Вам поможет!

Санкт-Петербург

Люботинский проспект, д. 2-4, лит. Б

8 800 707-00-91

Москва

ул. Нижние поля, д. 31

8 800 707-00-91

Обратный звонок

Для получения выгодного коммерческого предложения заполните форму ниже