8 800 707-00-91
Связаться с нами
info@podshipniki-gc.ru

Подшипники мировых брендов.

Купить Опорные ролики с цапфой KR90-PP, INA с доставкой по России

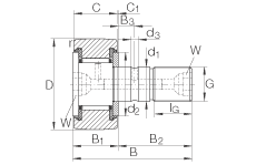
Опорные ролики с цапфой KR90-PP, INA
с осевым центрированием, пластмассовые упорные шайбы с двух сторон
D 90 mm   
d1 30 mm  Допуск: h7
B 100 mm   

B1 max 37 mm   
B2 63 mm   
B3 15 mm   
C 35 mm   
C1 1 mm   
d2 53 mm   
d3 4 mm   
G M30X1,5   
IG 32 mm   
rmin 1,1 mm   
W 14 mm  номинальный размер внутреннего шестигранника

m 1975 g  Вес
MA 450 Nm  момент затяжки гаек
Cr w 40500 N  эффективная динамическая грузоподъемность в качестве направляющего ролика (радиальная)
C0r w 83000 N  эффективная статическая грузоподъемность в качестве направляющего ролика (радиальная)
Cur w 11700 N  нагрузка предела усталости
nD G 1300 1/min  частота вращения (в длительном режиме и с консистентной смазкой)
NIPA3X9,5  Пресс-масленкаПресс-масленки поставляются в комплекте, но не смонтированы.
Следует использовать только эти пресс-масленки!
AP AP14  подходящий адаптер для подключения к централизованной системе смазки

Суффикс Описание
PP Пластмассовые упорные шайбы с уплотнительной кромкой с двух сторон опорного ролика с цапфой создают трехступенчатое уплотнение
RR Специальное антикоррозионное покрытие Corrotect®
SK Внутренний шестигранник только на торце цапфы со стороны ролика, без возможности повторного смазывания
2RS Защищенные контактные уплотнения с двух сторон опорного ролика с цапфой

Получите выгодное коммерческое предложение от нас

Сферы применения подшипников

Подшипники в добыче и переработке сырья

Подшипники в добыче и переработке сырья

Крупногабаритные подшипники используются во всем мире практически во всех отраслях . Экстремальные условия эксплуатации в этих отраслях требуют от подшипников максимальной износостойкости и долговечности. В технологическом оборудовании, стоимость простоев и ремонта которого намного превышает стоимость опоры, эксплуатирующей стороне очень важно иметь возможность положиться на функциональность и работоспособность подшипников.

Оставить заявку
Подшипники в машиностроении

Подшипники в машиностроении

В машиностроении одним из основных компонентов производимой продукции является подшипник. Его роль особенно важна в механизмах и устройствах, в которых имеет место движение элементов конструкции относительно друг друга.

Главная функция подшипников - это снижение трения и последующего износа. Именно в этой отрасли производства к подшипникам предъявляются высокие требования по прочности и качеству.

Оставить заявку
Подшипники в сельском хозяйстве

Подшипники в сельском хозяйстве

В сельском хозяйстве подшипники подвергаются серьезным нагрузкам, особенно в период сбора урожая, или подготовки земли к высадке.

Кроме обычных стандартных подшипников, в механизмах тракторов и другой сельскохозяйственной техники присутствуют подшипники, спроектированные и выпущенные именно для использования в этой сфере со своей специально продуманной конструкцией.

Оставить заявку
Подшипники в станкостроении

Подшипники в станкостроении

В станкостроении подшипники играют ключевую роль и определяют надежность всего механизма. Они стоят практически в каждом узле станка, который работает с движением - это и вращение, и перемещение. При выборе подшипников в этой отрасли играют следующие критерии:

. размер детали;

. скорость вращения;

. величина и направление нагрузок.

Оставить заявку
Подшипники для строительства

Подшипники для строительства

Подшипники в строительстве являются наиболее уязвимыми элементами конструкций. На них держатся тонны материалов, они подвергаются значительным нагрузкам, справится с которыми могут только качественные подшипники. Они обеспечивают плавность движения, снижение трения и поддержание надежности многих строительных систем и машин. их правильный выбор и обслуживание содействует увеличению срока службы и эффективности оборудования в строительстве.

Оставить заявку
Подшипники для энергетики

Подшипники для энергетики

Современные ветроэнергетические установки предъявляют особые требования к качеству опоры вала. Лопасти, являющиеся неотъемлемой частью таких установок, в процессе работы создают большие опрокидывающие усилия, способные разрушить генератор. Поэтому подшипниковый узел должен обеспечивать максимально надежную фиксацию в пространстве и иметь высокую прочность.

Оставить заявку

Не нашли нужный товар или аналог?

Наш менеджер Вам поможет!

Санкт-Петербург

Люботинский проспект, д. 2-4, лит. Б

8 800 707-00-91

Москва

ул. Нижние поля, д. 31

8 800 707-00-91

Обратный звонок

Для получения выгодного коммерческого предложения заполните форму ниже